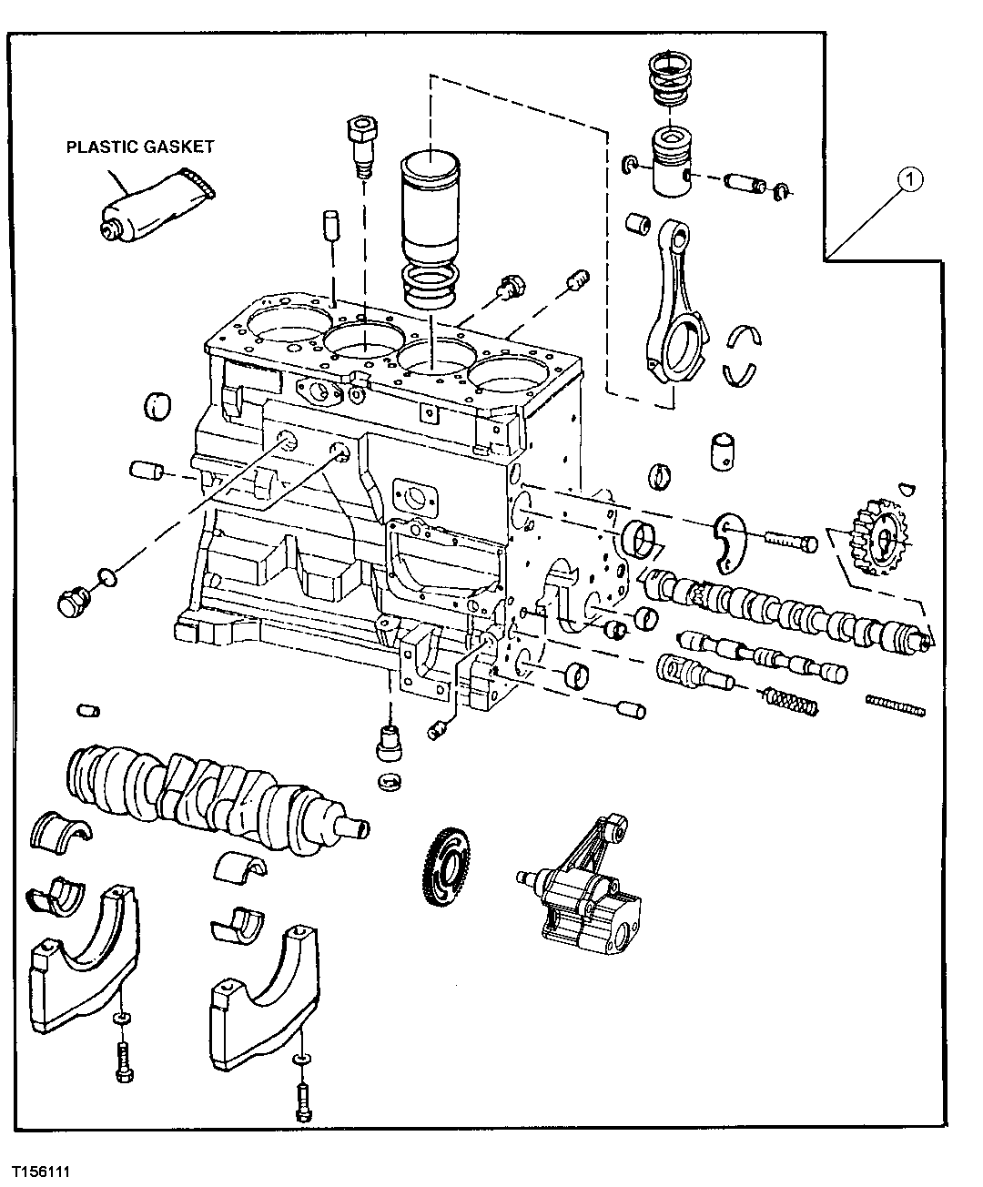
Запчасти John Deere 60LC 85 - Engine Short Block (709640 - 801836) 0404B Cylinder Block 4045TT055 4045TT055

Схема запчастей John Deere 60LC - 85 - Engine Short Block (709640 - 801836) 0404B Cylinder Block 4045TT055 4045TT055
FIT
1:1
100%

Артикул

Название

Примечание

Количество

1

RE516101

Short Block Assembly

(MARKED R115081 ) (SUB FOR RE659 55) Does Not Include Front Plate

1шт.

Выбрано товаров: 0