Качественные детали и логистика
Оригинальные и аналоговые запчасти с доставкой по России, Казахстану и Беларуси
©2022 PartSell ООО "Система" ИНН 2463123282 ОГРН 1212400004838
Центральный офис: г. Красноярск, Академика Киренского, д.87, пом.4
Телефон: 8 (800) 777-65-74 Email: zakaz@partsell.ru
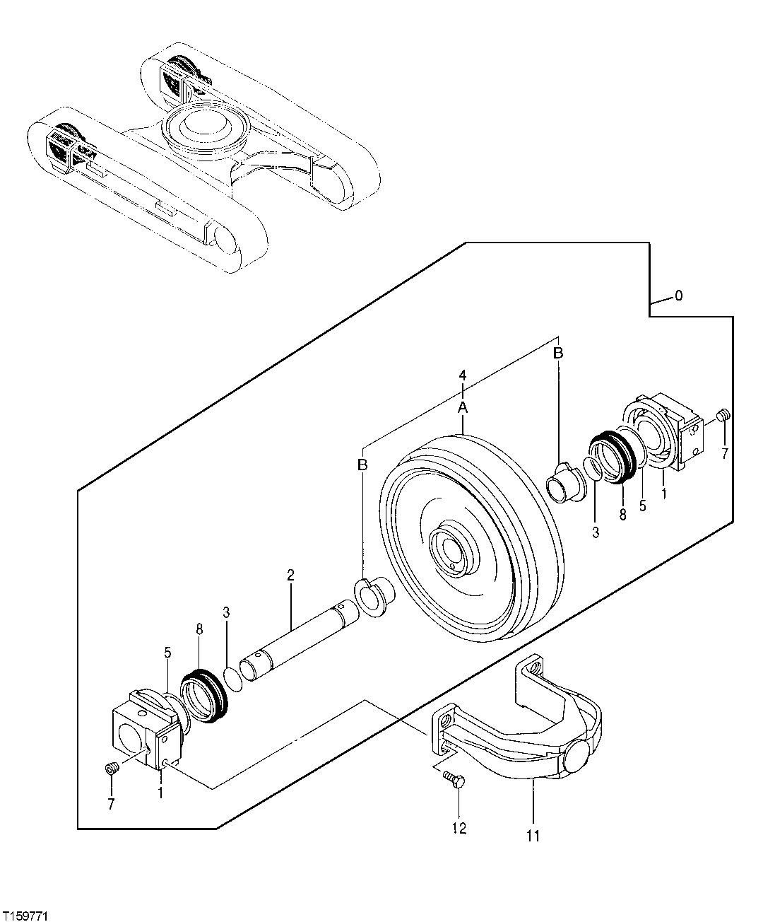
5 - Front Idler (041911 - )
№
Артикул
Название
Примечание
Количество
0
Idler
( AT280859 NLA) (SUB AT180014 (QU ANTITY OF ONE EACH SIDE OF UNIT))
2шт.
1
T191388
Bushing
2
T191389
Shaft
1шт.
3
T191385
Ring
4
AT280858
Roller
4A
4B
T191387
5
T191386
Spring Pin
7
AT180007
Fitting Plug
(SUB FOR T191383)
8
T191384
Seal
11
T191376
Yoke
(QUANTITY OF 1 EACH SIDE OF UNIT)
12
19M8035
Cap Screw
M16 X 35 (QUANTITY OF 4 EACH SIDE OF UNIT)
8шт.
Выбрано товаров: 0