Запчасти John Deere 60LC 136 - Air Cleaner 0520 Intake System

Схема запчастей John Deere 60LC - 136 - Air Cleaner 0520 Intake System
FIT
1:1
100%

Артикул

Название

Примечание

Количество

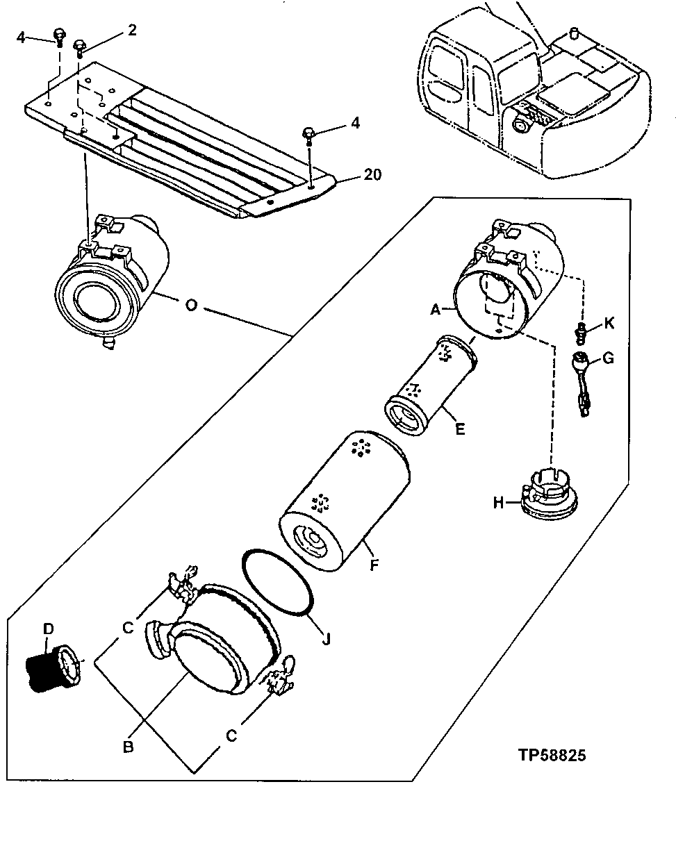
0

AP35304

Air Cleaner

1шт.

0A

Housing

1шт.

0B

AT175357

Cover

1шт.

0C

Latch

3шт.

0D

T158495

Valve

1шт.

0E

AT175345

Air Filter

1шт.

0F

AP35310

Air Filter

1шт.

0G

AP33252

Sensor

1шт.

0H

AT206888

Cap

1шт.

0J

T163113

O-Ring

1шт.

0K

AR44361

Fitting

1шт.

2

19M7402

Cap Screw

M10 X 25

3шт.

12M7066

Lock Washer

10 mm

3шт.

24M7028

Washer

10.500 X 20 X 2 mm

3шт.

4

19M7402

Cap Screw

M10 X 25

6шт.

12M7066

Lock Washer

10 mm

6шт.

24M7028

Washer

10.500 X 20 X 2 mm

6шт.

20

AP33397

Cover

1шт.

Выбрано товаров: 18