Качественные детали и логистика
Оригинальные и аналоговые запчасти с доставкой по России, Казахстану и Беларуси
©2022 PartSell ООО "Система" ИНН 2463123282 ОГРН 1212400004838
Центральный офис: г. Красноярск, Академика Киренского, д.87, пом.4
Телефон: 8 (800) 777-65-74 Email: zakaz@partsell.ru
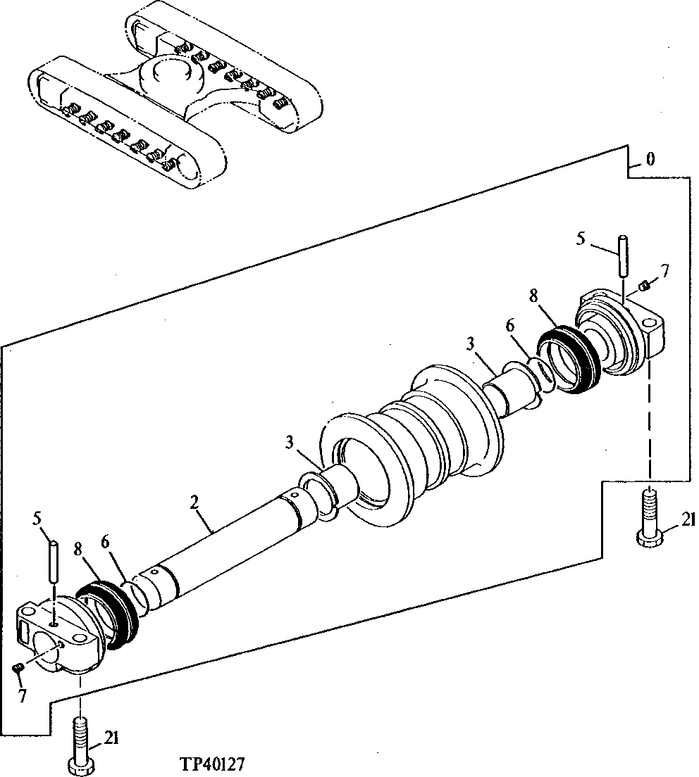
11 - Lower Roller ( - 041910)
№
Артикул
Название
Примечание
Количество
0
Roller
(SUB FOR AP34666) ( 9184516 NLA)
14шт.
2
3046945
Axle
(ROLLER SHAFT)
1шт.
3
3047030
Bushing
2шт.
5
4123162
Pin
6
A810060
Packing
7
Fitting Plug
Plug (NLA)
8
Seal
( 4317586 NLA)
21
Cap Screw
( AT213839 NLA)
56шт.
Выбрано товаров: 0