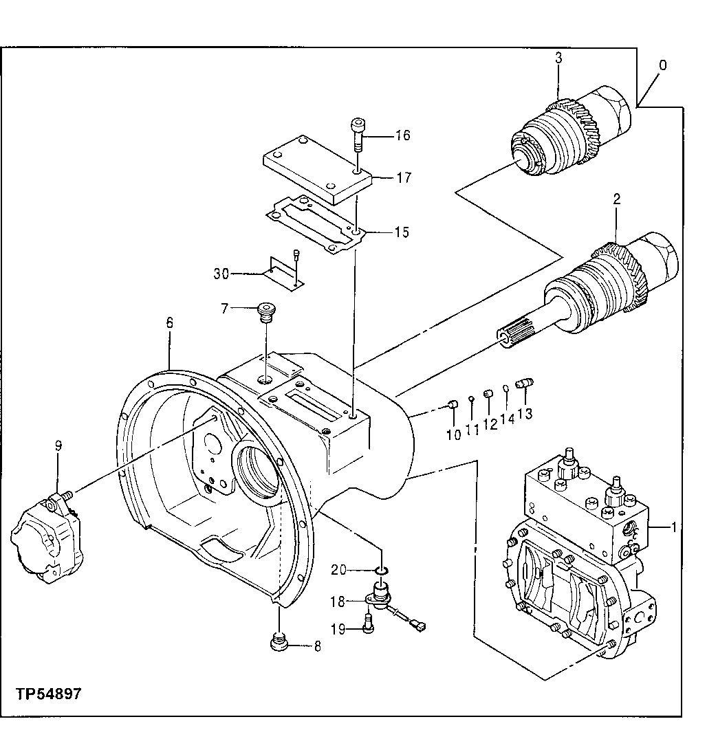
Запчасти John Deere 60LC 220 - Main Hydraulic Pump 2160 Vehicle Hydraulics

Схема запчастей John Deere 60LC - 220 - Main Hydraulic Pump 2160 Vehicle Hydraulics
FIT
1:1
100%

Артикул

Название

Примечание

Количество

0

AT183683

Pump

NLA (ORDER 4365856EX)

1шт.

4365856EX

Hydraulic Pump Reman

(SUB FOR AP34764, AP355 63) (REMAN FOR AT183683)

1шт.

1

4383569

Regulator

(SUB FOR AT218118) Comp onents On Separate Page

1шт.

2

4383570

Hydraulic Head And Rotor

(SUB FOR AT218119)

1шт.

3

4383573

Hydraulic Head And Rotor

(SUB FOR AT218120)

1шт.

6

Housing

1шт.

7

0214905

Fitting Plug

(SUB FOR TH101417)

1шт.

8

TH104732

Fitting Plug

(SUB FOR 0230126)

1шт.

9

4383576

Hydraulic Pump

(SUB FOR AT218121) Gear

1шт.

10

Bushing

(NLA)

1шт.

11

T24652

Ball

5 mm (0.197")

1шт.

12

0311601

Guide

(SUB FOR TH109004)

1шт.

13

0311602

Sleeve

(SUB FOR TH109005)

1шт.

14

CH11568

Packing

2шт.

15

0695801

Gasket

(SUB FOR AT218099)

1шт.

16

19M8041

Screw

M12 X 35

4шт.

17

0695802

Cover

(SUB FOR AT218100)

1шт.

18

0486103

Sensor

(SUB FOR AT218055)

1шт.

19

0486104

Bolt

(SUB FOR AT218056)

1шт.

20

0486106

O-Ring

(SUB FOR AT218057)

1шт.

30

Identification Plate

1шт.

Выбрано товаров: 21