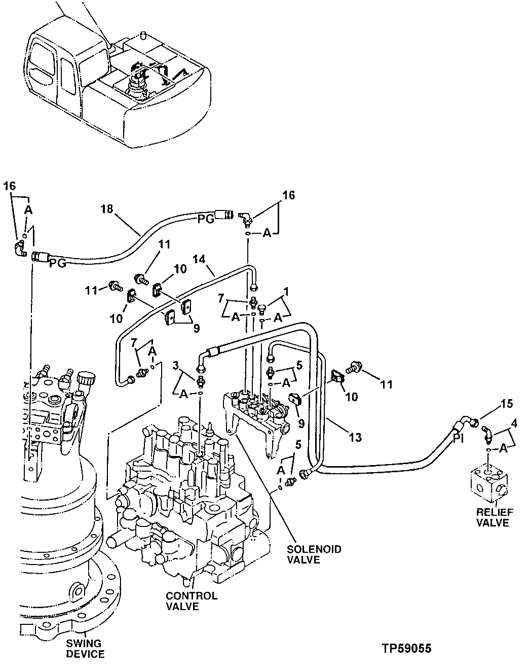
Запчасти John Deere 60LC 289 - Pilot Lines 3360 Hydraulic System

Схема запчастей John Deere 60LC - 289 - Pilot Lines 3360 Hydraulic System
FIT
1:1
100%

Артикул

Название

Примечание

Количество

1

4093624

Drain Plug

SUB FOR AT318013, TH102536

1шт.

1A

M800650

Packing

1шт.

3

4200465

Adapter Fitting

SUB FOR TH108328

2шт.

3A

M800650

Packing

1шт.

4

4193826

Elbow Fitting

SUB FOR TH106467

1шт.

4A

M800650

Packing

1шт.

5

4255304

Fitting

SUB FOR AT155270

2шт.

5A

M800650

Packing

1шт.

7

4255304

Fitting

SUB FOR AT155270

2шт.

7A

M800650

Packing

1шт.

9

9735305

Clamp

SUB FOR AP33637

3шт.

10

9735306

Clamp

SUB FOR AP33638

3шт.

11

Washer

12M7065 NLA

3шт.

19M7163

Cap Screw

M8 X 25

3шт.

13

P61624

Pipe

1шт.

14

P61625

Pipe

1шт.

15

AP35141

Hydraulic Hose

1шт.

16

4154670

Elbow Fitting

SUB FOR TH100951

2шт.

16A

M800650

Packing

1шт.

18

AP34781

Hydraulic Hose

1шт.

Выбрано товаров: 20