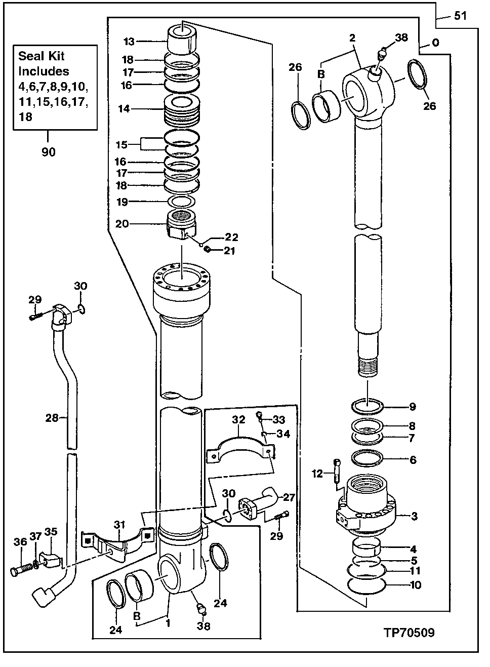
Запчасти John Deere 60LC 307 - Bucket Cylinder 3360 Hydraulic System

Схема запчастей John Deere 60LC - 307 - Bucket Cylinder 3360 Hydraulic System
FIT
1:1
100%

Артикул

Название

Примечание

Количество

0

Hydraulic Cylinder

NLA

1шт.

1

AH155038

Hydraulic Cylinder Barrel

1шт.

AH234914

Hydraulic Cylinder Barrel

SUB FOR PG201438

1шт.

1B

H158235

Bushing

1шт.

2

AH234896

Rod

SUB FOR AH155039

1шт.

Hyd Cylinder Rod Reman

PG201440 NLA

1шт.

2B

0140808

Bushing

SUB FOR TH104905

1шт.

3

H158027

Hydr. Cylinder Rod Guide

1шт.

4

TH109311

Wear Ring

1шт.

5

TH109312

Snap Ring

SUB FOR 0240904

1шт.

6

AH148777

Ring

1шт.

7

0240911

Packing

SUB FOR TH109314 OR 4S00189

1шт.

8

0240912

Back-Up Ring

SUB FOR TH109315 OR 4S00190

1шт.

9

H155867

Seal

1шт.

10

AT264319

O-Ring

99.400 X 3.100 mm (3.913" X 0.122") SUB FOR T110447

1шт.

11

TH109318

Back-Up Ring

1шт.

12

19M8930

Screw

M14 X 65

12шт.

13

H163452

Ring

1шт.

14

H158463

Piston

1шт.

15

AT264387

Ring

SUB FOR TH109322 Set Of Two

1шт.

16

AT153919

Back-Up Ring

100 X 105 X 2.500 mm (3- 15/16" X 4.134" X 0.098")

2шт.

17

H158459

Scraper Ring

2шт.

18

AT264388

Ring

SUB FOR TH109324, 0310510 AND 4S00155

2шт.

19

TH109328

Shim

SUB FOR 0310514

1шт.

20

H158465

Nut

1шт.

21

22M7009

Set Screw

M12 X 12

1шт.

22

T13624

Ball

7.145 mm (9/32")

1шт.

24

TH100374

Seal

Must Be Ordered Separately NOT IN CLUDED IN BUCKET CYLINDER ASSEMBLY

2шт.

26

TH104472

Seal

SUB FOR AH140157, APPL

2шт.

27

8086114J

Oil Line

SUB FOR AT114835 OR 8086114

1шт.

28

AH234869

Oil Line

SUB FOR AH155048

1шт.

29

19M8337

Screw

M10 X 30

8шт.

30

AT264360

O-Ring

SUB FOR TH104930 OR 4506430

2шт.

31

AHC10166

Clamp

SUB FOR AH152929

1шт.

32

H159705

Band

1шт.

33

19M7550

Cap Screw

M10 X 35

2шт.

34

12M7066

Lock Washer

10 mm

2шт.

35

H238070

Clamp

SUB FOR T108036

1шт.

36

19M7362

Cap Screw

M12 X 55

1шт.

37

12M7058

Lock Washer

12 mm SUB FOR 12M7067

1шт.

38

TH100074

Lubrication Fitting

2шт.

51

4370785JEX

Hydraulic Cylinder Reman

REMAN, SUB FOR AH15503 7, AH154072 OR AH163277

1шт.

90

AH155040

Hydraulic Cylinder Kit

Seal Kit

1шт.

Выбрано товаров: 43