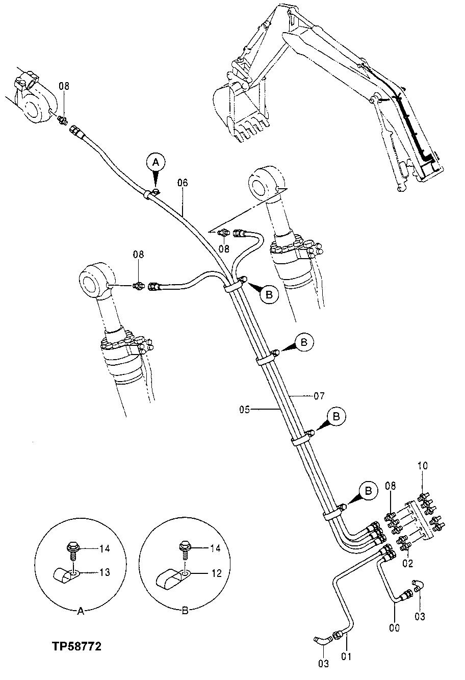
Запчасти John Deere 60LC 308 - Lubrication System 3360 Hydraulic System

Схема запчастей John Deere 60LC - 308 - Lubrication System 3360 Hydraulic System
FIT
1:1
100%

Артикул

Название

Примечание

Количество

0

4371422

Line

(SUB FOR AP35003)

1шт.

1

4371420

Line

(SUB FOR AP35002)

1шт.

2

4360981

Adapter Fitting

(SUB FOR AT176256)

2шт.

3

4345297

Elbow Fitting

(SUB FOR AT176258)

2шт.

5

AT160892

Hydraulic Hose

1шт.

6

4296624

Hydraulic Hose

(SUB FOR AP35005)

1шт.

7

4310110

Hydraulic Hose

(SUB FOR AP35004)

1шт.

8

X4-4FTX-S

Adapter Fitting

(SUB FOR X0103-4-4 ) (SUB FOR TH100963)

6шт.

10

JD7769

Lubrication Fitting

5шт.

12

T152608

Clamp

4шт.

13

AH79175

Clip

(SUB FOR TH108600 OR 4190272)

1шт.

14

19M8324

Cap Screw

M10 X 16

5шт.

12M7058

Lock Washer

12 mm (SUB FOR 12M7067)

5шт.

Выбрано товаров: 13