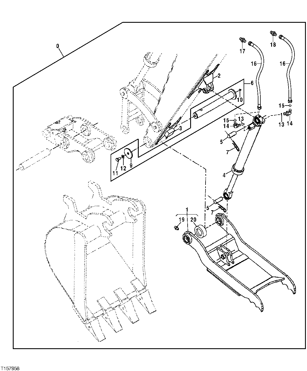
Запчасти John Deere 7ZTS 77 - HYDRAULIC BUCKET CLAMP 3302 BUCKET WITH TEETH

Схема запчастей John Deere 7ZTS - 77 - HYDRAULIC BUCKET CLAMP 3302 BUCKET WITH TEETH
FIT
1:1
100%

Артикул

Название

Примечание

Количество

0

AT318254G

Field Installation Kit

(WHOLE GOODS) ( AT1916 56 NLA) ( AT318254 NLA)

1шт.

1

AT316568

Clamp

(INCLUDES CLAMP BUSHING) (SUB FOR AT193680)

1шт.

2

Clevis

(NLA)

1шт.

3

Stop

(NLA)

1шт.

4

Hydraulic Cylinder

(SUB AH216690)( AT193681 NLA) (SEE SEPARATE PAGE FOR DETAIL)

1шт.

5

T186907

Pin

2шт.

6

AT193684

Pin

1шт.

7

AT260407

Spring Locking Pin

2шт.

9

CH10999

Washer

1шт.

10

AT260410

Lubrication Fitting

1шт.

11

19H2472

Cap Screw

1/2" X 1"

1шт.

12

12H301

Lock Washer

1/2"

1шт.

13

R28782

O-Ring

2шт.

14

38H1435

Elbow Fitting

2шт.

15

T77613

O-Ring

2шт.

16

AT280275

Hydraulic Hose

1/2" X 940 mm (37") X 17. 4752" (BOOM QUICK COUPLER)

2шт.

AT191412

Hydraulic Hose

(ARM QUICK COUPLER)

2шт.

17

M131862

Hyd. Quick-Connect Coupler

1шт.

18

M131863

Hydr. Quick Coupler Plug

1шт.

19

AT260410

Lubrication Fitting

2шт.

20

T186897

Bushing

2шт.

Выбрано товаров: 21