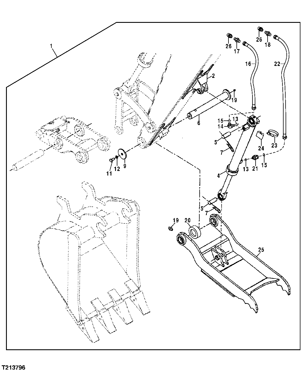
Запчасти John Deere 7ZTS 78 - HYDRAULIC BUCKET CLAMP (REPLACEMENT) 3302 BUCKET WITH TEETH

Схема запчастей John Deere 7ZTS - 78 - HYDRAULIC BUCKET CLAMP (REPLACEMENT) 3302 BUCKET WITH TEETH
FIT
1:1
100%

Артикул

Название

Примечание

Количество

1

AT318254G

Field Installation Kit

(WHOLE GOODS) ( AT318254 NLA)

1шт.

2

AT317645

Bracket

1шт.

4

AH216690

Hydraulic Cylinder

( AT193681 NLA) (SEE SE PARATE PAGE FOR DETAIL)

1шт.

5

T12628

Pin

2шт.

6

AT317650

Pin Fastener

1шт.

7

11M7030

Cotter Pin

5 X 40 mm

2шт.

9

CH10999

Washer

1шт.

11

19H2472

Cap Screw

1/2" X 1"

1шт.

12

12H301

Lock Washer

1/2"

1шт.

13

R26448

O-Ring

(SUB FOR R28782, THIS APPLICATION)

2шт.

14

38H1004

Elbow Fitting

(SUB FOR 38H1435, THIS APPLICATION)

1шт.

15

T77613

O-Ring

2шт.

16

AT280275

Hydraulic Hose

1шт.

17

M131863

Hydr. Quick Coupler Plug

1шт.

18

M131862

Hyd. Quick-Connect Coupler

1шт.

19

T162396

Lubrication Fitting

2шт.

20

T213161

Bushing

2шт.

21

38H1160

Adapter Fitting

(SUB FOR 38H1309, THIS APPLICATION)

1шт.

22

AT322165

Hydraulic Hose

1шт.

23

AR21999

Hose Clamp

1шт.

24

T105774

Guide

1шт.

25

AT316568

Clamp

1шт.

26

M87683

Adapter Fitting

2шт.

Выбрано товаров: 23