Запчасти John Deere 7ZTS 89 - GATE LOCK LEVER 3315 CONTROLS LINKAGE

Схема запчастей John Deere 7ZTS - 89 - GATE LOCK LEVER 3315 CONTROLS LINKAGE
FIT
1:1
100%

Артикул

Название

Примечание

Количество

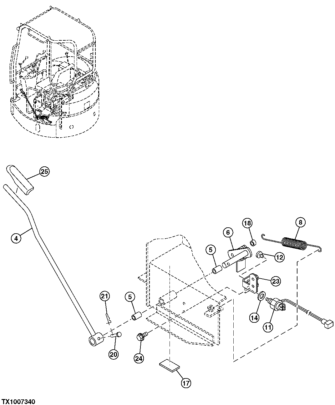
4

8080967

Control Lever

SUB FOR TH8080967

1шт.

5

4303299

Bushing

SUB FOR TH4303299

2шт.

6

8080968

Shaft

SUB FOR TH8080968

1шт.

8

4189184

Extension Spring

SUB FOR TH108392

1шт.

11

4392059

Switch

SUB FOR TH4392059

1шт.

12

4390669

Bumper

SUB FOR TH4390669

1шт.

14

24M7456

Washer

15 X 28 X 2.500 mm SUB FOR J253114

1шт.

17

4448826

Pad

SUB FOR TH4448826

1шт.

18

4469463

Isolator

1шт.

20

4413609

Pin Fastener

SUB FOR TH4413609

1шт.

21

4402852

Spring Locking Pin

SUB FOR TH4402852

1шт.

23

9756288

Bracket

SUB FOR TH9756288

1шт.

24

19M7407

Cap Screw

M8 X 25

2шт.

24M7055

Washer

8.400 X 16 X 1.600 mm

2шт.

Washer

12M7065 NLA

2шт.

25

4377660

Grip

SUB FOR TH4377660

1шт.

Выбрано товаров: 16