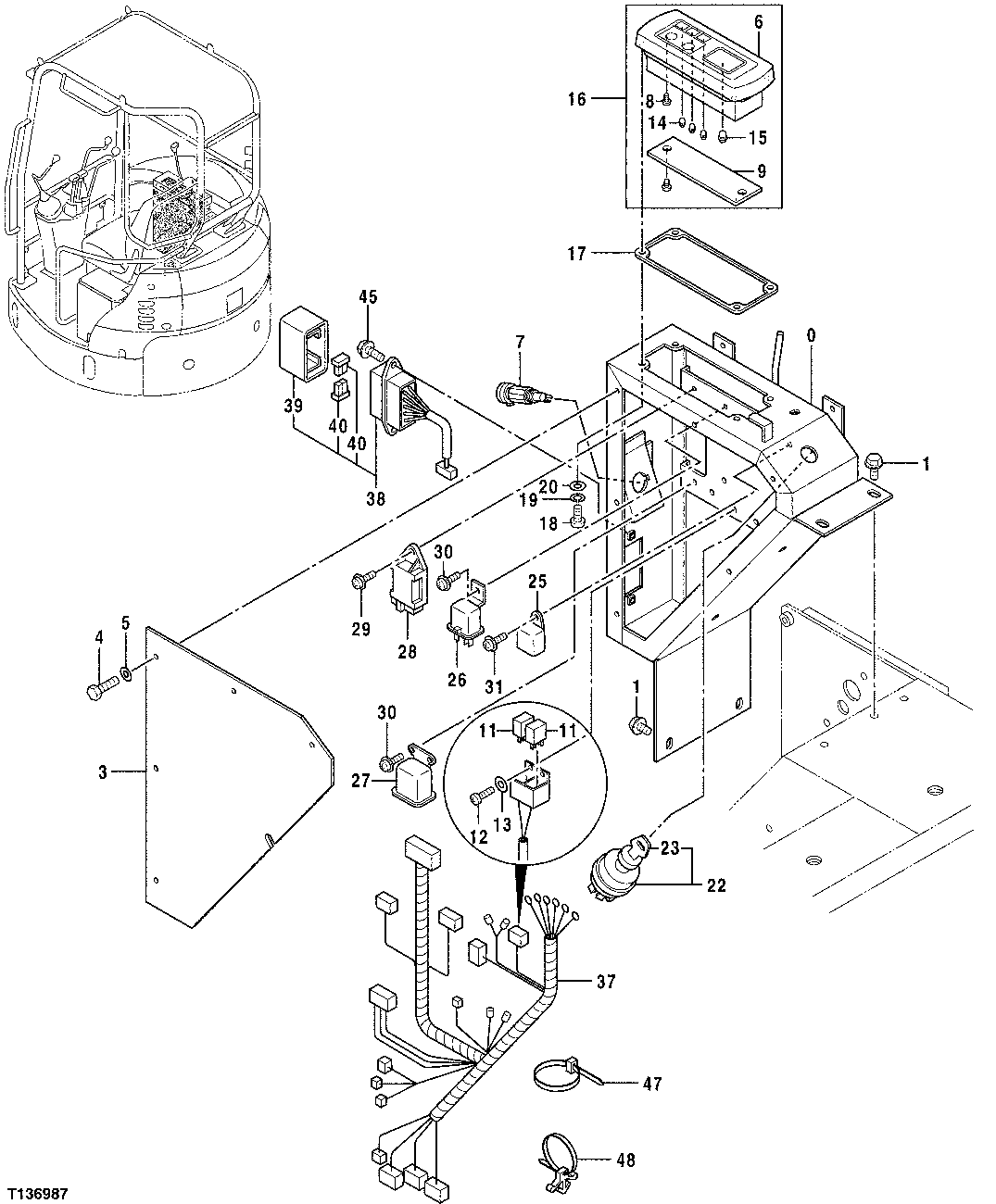
Запчасти John Deere 7ZTS 94 - CONTROL BOX 3315 CONTROLS LINKAGE

Схема запчастей John Deere 7ZTS - 94 - CONTROL BOX 3315 CONTROLS LINKAGE
FIT
1:1
100%

Артикул

Название

Примечание

Количество

0

6019475

Console

SUB FOR TH6019475

1шт.

1

19M7866

Screw

M8 X 20 SUB FOR AT213603 OR J0508 20; ALSO ORDER 24M7036 AND 12M7065

4шт.

24M7036

Washer

9 X 16 X 1.600 mm

4шт.

Washer

12M7065 NLA

4шт.

3

4442615

Cover

SUB FOR TH4442615

1шт.

4

19M7923

Cap Screw

M6 X 12

6шт.

5

12M7054

Lock Washer

19 mm

6шт.

6

4449185

Cover

SUB FOR TH4449185

1шт.

7

4432965

Elec. Connector Terminal

SUB FOR TH4432965

1шт.

8

4449188

Screw

SUB FOR TH4449188

6шт.

9

4449189

Cover

SUB FOR TH4449189

1шт.

11

4657417

Relay

SUB FOR AT251370 OR 4394590

2шт.

12

21M7265

Screw

M5 X 12

2шт.

13

24M7027

Washer

5.300 X 10 X 1 mm

2шт.

14

4449186

Bulb

SUB FOR TH4449186

3шт.

15

4449187

Bulb

SUB FOR TH4449187

1шт.

16

Instrument Panel

4403739 NLA; SUB FOR AT251442; SUB 9237341

1шт.

9237341

Panel

INCLUDES 4629671

1шт.

4629671

Seal

Not Illustrated

1шт.

17

4413919

Gasket

SUB FOR AT251501

1шт.

18

21M7285

Screw

M6 X 12

4шт.

19

12M7006

Lock Washer

6 mm

4шт.

20

12M7054

Lock Washer

19 mm

4шт.

22

4478870

Rotary Switch

SUB FOR AT255962 OR 4432734

1шт.

23

AT194969

Key

SUB FOR AT147803

1шт.

25

4355587

Relay

SUB FOR AT251271

1шт.

26

4288451

Relay

SUB FOR AT251204

1шт.

27

4355584

Relay

SUB FOR AT251269

1шт.

28

4664598

Timer

SUB FOR 4443617

1шт.

29

J680620

Screw With Washer

SUB FOR AT213611

1шт.

30

21M7285

Screw

M6 X 12

3шт.

12M7006

Lock Washer

6 mm

3шт.

31

21M7246

Screw

M6 X 16

1шт.

12M7006

Lock Washer

6 mm

1шт.

24M7105

Washer

6 X 12 X 1.600 mm

1шт.

37

2045573

Wiring Harness

SUB FOR TH2045573

1шт.

38

3090314

Wiring Harness

SUB FOR TH3090314

1шт.

39

4348188

Cover

SUB FOR AT251245

1шт.

40

99M7065

Fuse

15 AMP

2шт.

45

19M7077

Cap Screw

M6 X 20

2шт.

24M7267

Washer

6.400 X 11 X 1.600 mm

2шт.

12M7006

Lock Washer

6 mm

2шт.

47

H77698

Tie Band

2шт.

48

4254600

Clip

SUB FOR AT154928

3шт.

Выбрано товаров: 44