Запчасти John Deere 7ZTS 47 - ELECTRIC PARTS 1671 BATTERIES, SUPPORT & CABLES

Схема запчастей John Deere 7ZTS - 47 - ELECTRIC PARTS 1671 BATTERIES, SUPPORT & CABLES
FIT
1:1
100%

Артикул

Название

Примечание

Количество

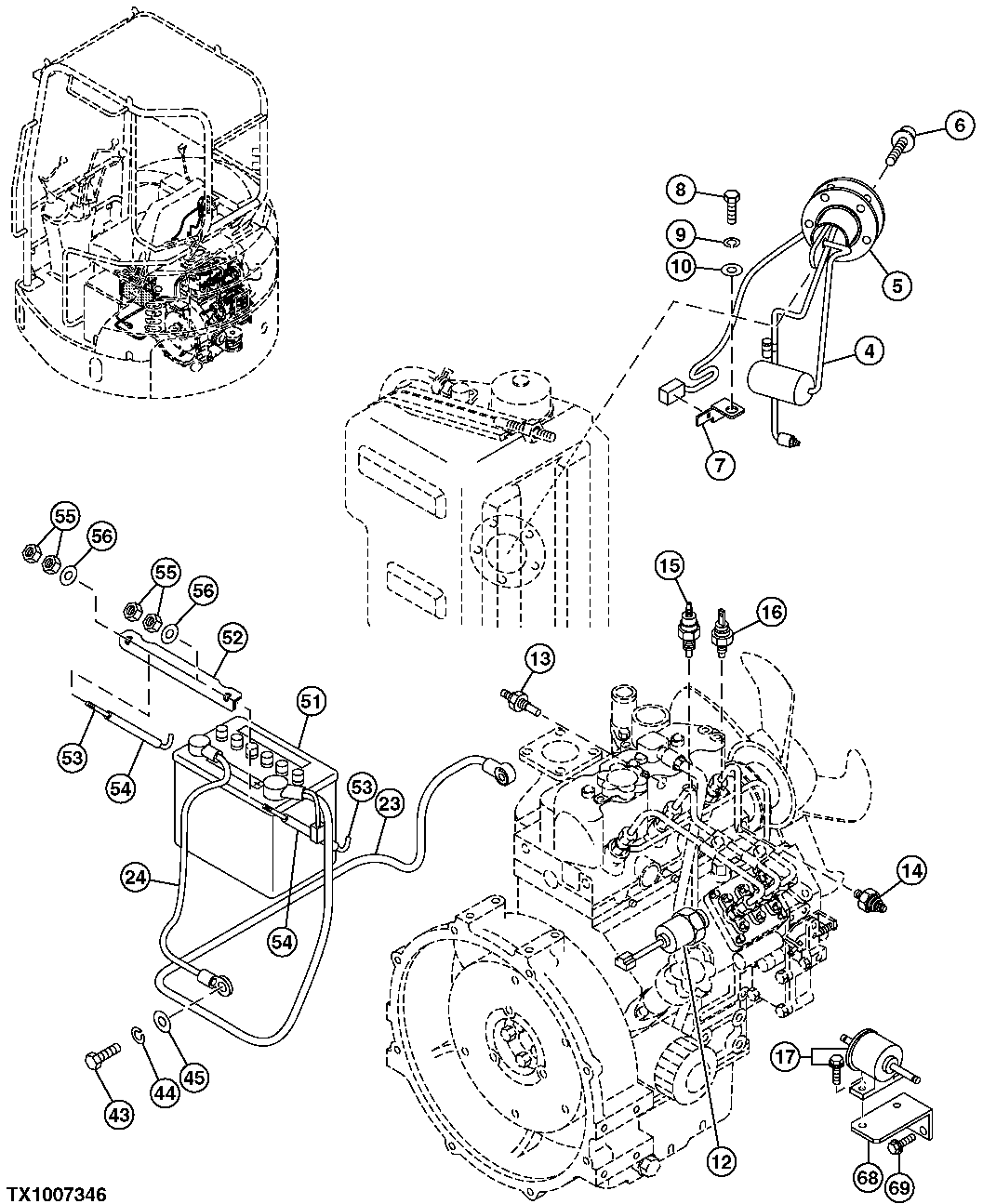
4

4442779

Fuel Sender

SUB FOR TH4442779

1шт.

5

4376524

Gasket

SUB FOR AT251312

1шт.

6

19M7640

Cap Screw

M5 X 12

5шт.

12M7064

Lock Washer

5 mm

5шт.

7

4257159

Bracket

SUB FOR AT154243

1шт.

8

19M8324

Cap Screw

M10 X 16

1шт.

9

12M7066

Lock Washer

10 mm

1шт.

10

24M7028

Washer

10.500 X 20 X 2 mm SUB FOR 12M7096

1шт.

12

4664592

Solenoid

SUB FOR 4443616

1шт.

13

4355590

Sensor

(SUB FOR AT251273)(THERMO)

1шт.

14

4443613

Pressure Switch

(SUB FOR TH4443613)(PRESSURE)

1шт.

15

4443612

Switch

(SUB FOR TH4443612)(THERMO)

1шт.

16

4443615

Engine Head Temp Sensor

(SUB FOR TH4443615)(THERMO)

1шт.

17

8971491820

Fuel Pump

SUB FOR AT254967

1шт.

23

4442678

Battery Cable

(SUB FOR TH4442678)(+)

1шт.

24

4442676

Battery Cable

(SUB FOR TH4442676)(-)

1шт.

43

19M8324

Cap Screw

M10 X 16

1шт.

44

12M7066

Lock Washer

10 mm

1шт.

45

24M7028

Washer

10.500 X 20 X 2 mm SUB FOR 12M7096

1шт.

51

TY24467

Dry Charged Battery

SUB FOR TH4443529

1шт.

52

4292311

Bracket

SUB FOR TH4292311

1шт.

53

4623697

Bolt

SUB FOR 4441169, TH4441169

2шт.

54

R111932

Hose

(SUB FOR TH4289704)(CUT TO LENGTH - 150 MM)

2шт.

55

14M7272

Nut

M6

4шт.

56

12M7054

Lock Washer

19 mm

2шт.

68

9755507

Bracket

SUB FOR TH9755507

1шт.

69

19M7932

Cap Screw

M8 X 16

2шт.

24M7055

Washer

8.400 X 16 X 1.600 mm

2шт.

Washer

12M7065 NLA

2шт.

Выбрано товаров: 29