Запчасти John Deere 90E 77 - ELECTRIC PARTS 1674 Wiring Harness And Switches

Схема запчастей John Deere 90E - 77 - ELECTRIC PARTS 1674 Wiring Harness And Switches
FIT
1:1
100%

Артикул

Название

Примечание

Количество

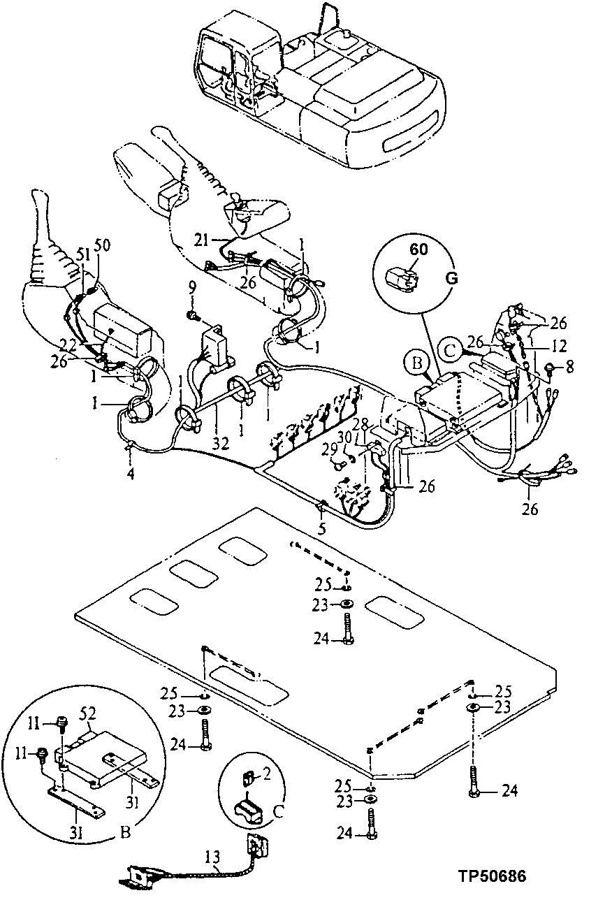
1

H77698

Tie Band

8шт.

2

57M7329

Fuse

Radio, Engine Control U nit, Switch Box II Black

3шт.

57M7125

Fuse

Engine Control Motor, Power On, Switch Box, Travel Alarm, Wiper, Monitor, Dome Light Tan

7шт.

57M7121

Fuse

Horn, Lighter, Optional Fuse Red

3шт.

57M7120

Fuse

Lights, Heater, Start Aid Yellow

2шт.

4

4190275

Clamp

SUB FOR TH108598

1шт.

5

4254600

Clip

SUB FOR AT154928

1шт.

8

19M7077

Cap Screw

M6 X 20

2шт.

12M7006

Lock Washer

6 mm

2шт.

24M7293

Washer

6.500 X 13 X 1.600 mm

2шт.

9

Screw With Washer

SUB FOR AT200012, J460620 NLA

2шт.

21M7267

Screw

M6 X 20

2шт.

24M7293

Washer

6.500 X 13 X 1.600 mm

2шт.

12M7006

Lock Washer

6 mm

2шт.

11

19M8425

Cap Screw

M6 X 16

8шт.

12M7006

Lock Washer

6 mm

8шт.

24M7293

Washer

6.500 X 13 X 1.600 mm

8шт.

12

3064030

Wiring Harness

SUB FOR AT164177 Heater

1шт.

13

2035206

Wiring Harness

SUB FOR AT158373 9 Foot E xtension To Cab Connector

1шт.

2036643

Wiring Harness

SUB FOR AT161804 15 Foot Extension To Cab Connector

1шт.

21

4277927

Wiring Harness

SUB FOR AT154955 Starter Switch

1шт.

22

4277941

Wiring Harness

SUB FOR AT154956 Radio

1шт.

23

12M7066

Lock Washer

10 mm

4шт.

24

19M8324

Cap Screw

M10 X 16

4шт.

25

24M7028

Washer

10.500 X 20 X 2 mm

4шт.

26

H77698

Tie Band

6шт.

28

4191772

Resistor

SUB FOR AT155250 Alternator Exitation

1шт.

29

4204811

Screw

SUB FOR AT155253

1шт.

30

12H315

Lock Washer

0.164" SUB FOR 12M7063

1шт.

31

4284380

Bracket

SUB FOR AT200489

2шт.

32

0001360

Wiring Harness

SUB FOR AT200142 Main

1шт.

4192489

Diode

SUB FOR TH110500

4шт.

50

4322387

Switch

SUB FOR AT161978 Motion Alarm

1шт.

51

4322389

Switch

SUB FOR AT161977 Start Aid

1шт.

52

Control Console

9125978 AND AT200785 NLA Engine Control

1шт.

60

4288109

Diode

SUB FOR (12) AT174465

6шт.

Выбрано товаров: 36