Запчасти John Deere 90E 79 - ELECTRIC PARTS 1674 Wiring Harness And Switches

Схема запчастей John Deere 90E - 79 - ELECTRIC PARTS 1674 Wiring Harness And Switches
FIT
1:1
100%

Артикул

Название

Примечание

Количество

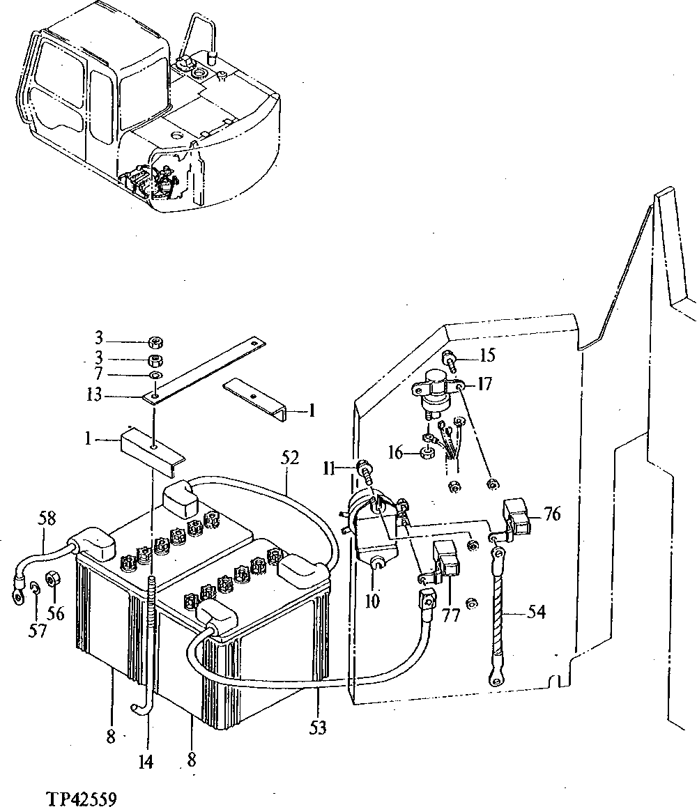
1

4257035

Angle

SUB FOR AT200425

2шт.

3

14M7274

Nut

M10

4шт.

7

24M7028

Washer

10.500 X 20 X 2 mm

2шт.

8

TY21764

Dry Charged Battery

SUB FOR TY6113

2шт.

10

8943795431

Relay

SUB FOR 4255762 AND AT154229 Battery

1шт.

11

21M7288

Screw

M6 X 10

2шт.

13

4301120

Strap

SUB FOR AT200527

1шт.

14

4177557

Bolt

SUB FOR TH108578

2шт.

15

19M7923

Cap Screw

M6 X 12

2шт.

12M7006

Lock Washer

6 mm

2шт.

24M7293

Washer

6.500 X 13 X 1.600 mm

2шт.

16

14M7272

Nut

M6

2шт.

17

AT145341

Relay

24 VOLT Starter

1шт.

14M7165

Lock Nut

M6 Starter Relay Terminals

2шт.

52

4302793

Wiring Harness

SUB FOR AT200533 Battery To Battery

1шт.

53

4302794

Wiring Harness

SUB FOR AT200534 Battery To Battery Relay

1шт.

54

4305818

Wiring Harness

SUB FOR AT200546 Battery Relay- Starter

1шт.

56

14M7274

Nut

M10

1шт.

57

12M7066

Lock Washer

10 mm

1шт.

58

4303835

Wiring Harness

SUB FOR AT200539 Battery- Ground

1шт.

76

4270555

Fuse

SUB FOR AT160983, 50 AMP Starter

1шт.

77

4287670

Fuse

SUB FOR AT200499, FUSIBL E LINK - 60 AMP - YELLOW

1шт.

Выбрано товаров: 22