Запчасти John Deere 90E 80 - ELECTRIC PARTS 1674 Wiring Harness And Switches

Схема запчастей John Deere 90E - 80 - ELECTRIC PARTS 1674 Wiring Harness And Switches
FIT
1:1
100%

Артикул

Название

Примечание

Количество

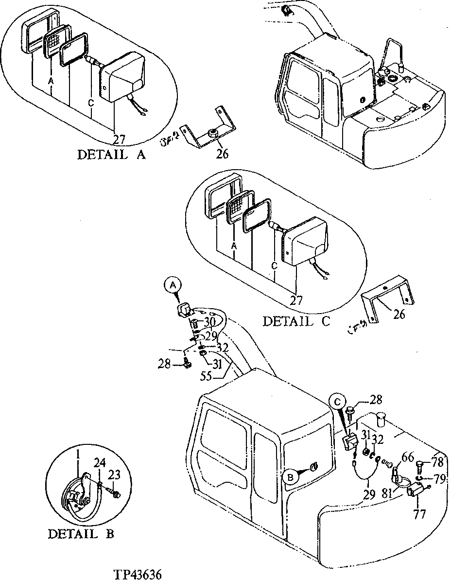
1

AT64237

Horn

1шт.

23

19M7407

Cap Screw

M8 X 25

1шт.

24

4254603

Wiring Harness

(HORN TO GROUND) ( AT154213 NOT AVAILABLE FOR SERVICE)

1шт.

26

4303584

Bracket

(SUB FOR AT200537)

2шт.

27

4274478

Headlight

(SUB FOR AT154323)(WORK AND DRIVING)

2шт.

27A

4285646

Lens

(SUB FOR AT154988)

1шт.

27C

AT135758

Bulb

(SUB FOR AT154990)

1шт.

28

19M8017

Cap Screw

M12 X 20 (SUB FOR AT200005 OR J011220 USE ALONG WITH 12M7067)

2шт.

12M7067

Lock Washer

12 mm

2шт.

29

4254604

Wiring Harness

(SUB FOR AT154214)(GROUND TO LIGHT)

2шт.

30

21M7285

Screw

M6 X 12

1шт.

31

14M7272

Nut

M6

2шт.

32

12M7006

Lock Washer

6 mm

2шт.

55

4261622

Wiring Harness

(SUB FOR AT154283)(BOOM LIGHT)

1шт.

66

AT121321

Hose Clamp

1шт.

77

AT301074

Alarm System

(SUB FOR AT154966, 4283028)(MOTION)

1шт.

78

19M7997

Cap Screw

M8 X 110

2шт.

79

12M7056

Lock Washer

8 mm (SUB FOR 12M7065)

2шт.

81

H77698

Tie Band

1шт.

Выбрано товаров: 19