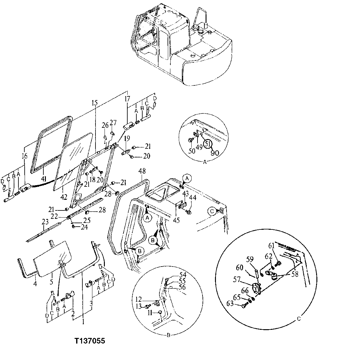
Запчасти John Deere 90E 95 - Cab 1810 Operator Enclosure

Схема запчастей John Deere 90E - 95 - Cab 1810 Operator Enclosure
FIT
1:1
100%

Артикул

Название

Примечание

Количество

0

4319064

Cab

(SUB FOR AT200575)(NOT ILLUSTRATED) (CONTAI NS ALL ITEMS ON THIS PAGE - ADDITIONAL COMPO NENTS LISTED ON PREVIOUS AND FOLLOWING PAGES )

1шт.

41

4204560

Isolator

(SUB FOR AT154428, 4289518)

1шт.

42

AT154429

Windowpane

1шт.

43

4204564

Stop

(SUB FOR TH108644)

1шт.

44

19M7932

Cap Screw

M8 X 16

2шт.

45

Shim

(NOT AVAILABLE FOR SERVICE)

1шт.

48

4295551

Belting

(SUB FOR AT157020)

1шт.

49

4204595

Shim

(SUB FOR TH108678)

2шт.

50

19M7881

Screw

M8 X 20

4шт.

12M7056

Lock Washer

8 mm (SUB FOR 12M7065)

4шт.

24M7055

Washer

8.400 X 16 X 1.600 mm

4шт.

51

Shim

(K) (SUB AT146245)(1.0)

1шт.

Shim

(K) (SUB AT146245)(1.2)

1шт.

Shim

(K) (SUB AT146245)(1.6)

1шт.

54

4294508

Bumper

(SUB FOR TH108642 ) (SUB FOR AT201032)

2шт.

55

14M7274

Nut

M10

2шт.

56

24M7028

Washer

10.500 X 20 X 2 mm

2шт.

57

4295474

Cover

(SUB FOR AT157022)

1шт.

58

4295475

Spring

(SUB FOR AT157023)

1шт.

59

4295476

Pin

(SUB FOR AT157024)

1шт.

60

H132922

Cotter Pin

1шт.

61

4304836

Bolt

(SUB FOR AT157025)

1шт.

62

Washer

(NOT AVAILABLE FOR SERVICE)

2шт.

63

19M8425

Cap Screw

M6 X 16

3шт.

12M7006

Lock Washer

6 mm

3шт.

24M7054

Washer

6.400 X 12 X 1.600 mm

3шт.

90

AT146245

Shim Kit

INCLUDES ALL (K) PARTS

1шт.

Выбрано товаров: 0