Запчасти John Deere 90E 112 - Heater ( - 011118) 1830 HEATING AND AIR CONDITIONING

Схема запчастей John Deere 90E - 112 - Heater ( - 011118) 1830 HEATING AND AIR CONDITIONING
FIT
1:1
100%

Артикул

Название

Примечание

Количество

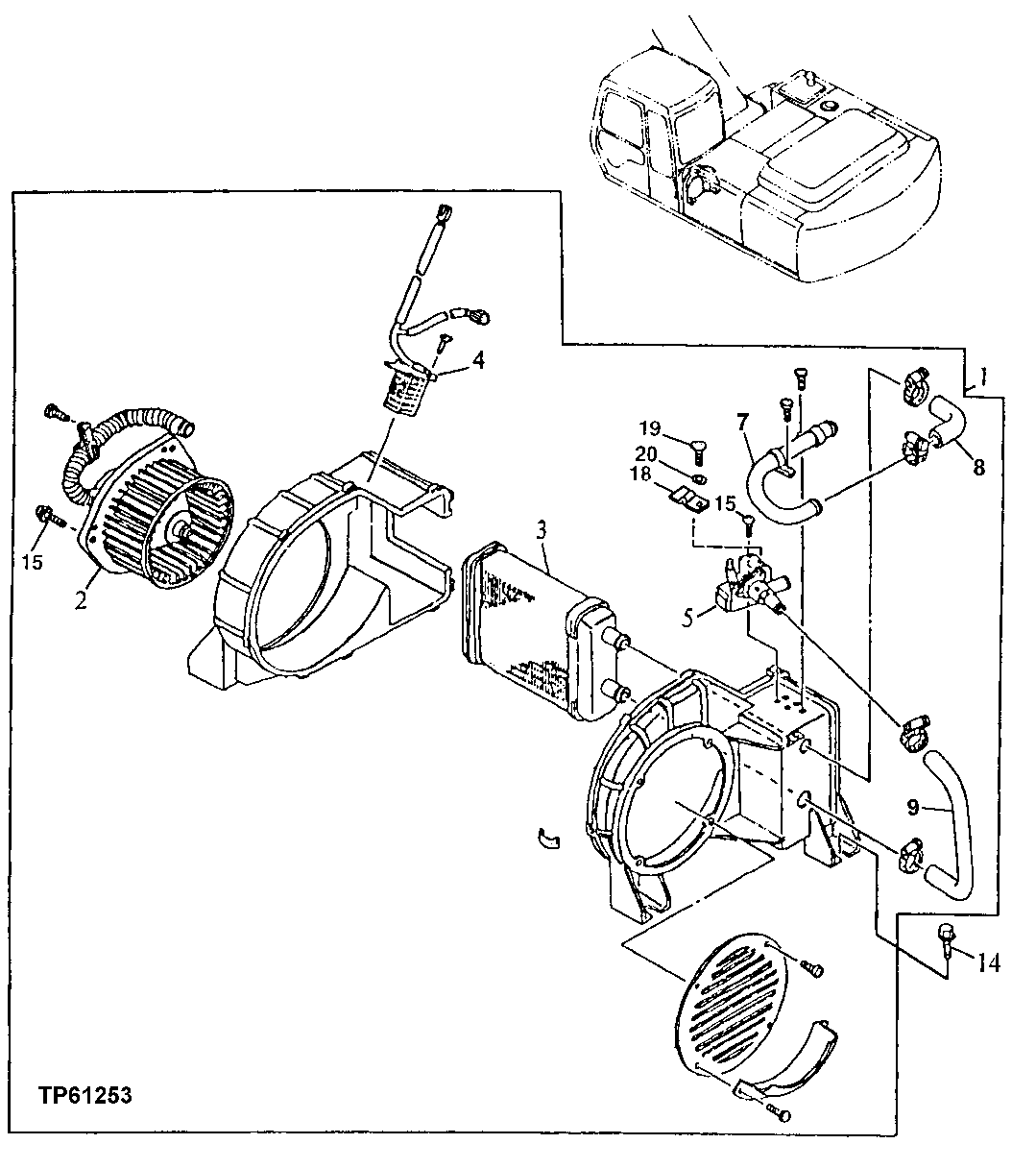
1

Heater

(SUB 4363008 AND 4363028)( 4251649 NO LONGER AVAILABLE)

1шт.

Heater

(SUB AT181234 AND AT181226)( AT1727 58 NO LONGER AVAILABLE FOR SERVICE)

1шт.

2

Motor

(SUB AT172759)( AT1556 37 NO LONGER AVAILABLE)

1шт.

4349942

Electric Motor

(SUB FOR AT172759)

1шт.

3

Core

( 4351448 NLA) (SUB FOR AT155638)

1шт.

4

4295536

Resistor

(SUB FOR AT155639)

1шт.

4349943

Resistor

(SUB FOR AT172855)

1шт.

5

4376475

Flow Control Hyd. Valve

(SUB FOR AT155640)(USE IF AVAILABLE)

1шт.

4376475

Flow Control Hyd. Valve

(SUB FOR AT155640 ) (SUB FOR AT181072)

1шт.

7

4353160

Line

(SUB FOR AT155641)

1шт.

8

Radiator Hose

(FURNISH TY22399 CUT AS NEEDED FROM BULK) (SUB FOR AT155642 OR 4353161)

1шт.

9

4353162

Radiator Hose

(SUB FOR AT155643)

1шт.

14

19M7662

Cap Screw

M10 X 30

4шт.

12M7066

Lock Washer

10 mm

4шт.

24M7028

Washer

10.500 X 20 X 2 mm

4шт.

15

Screw With Washer

( J450512 NLA) (SUB FOR AT203685)

3шт.

21M7158

Screw

M5 X 12

3шт.

12M7064

Lock Washer

5 mm

3шт.

18

Clamp

1шт.

19

Screw

1шт.

20

4352933

Washer

(SUB FOR AT172857)

1шт.

Выбрано товаров: 21