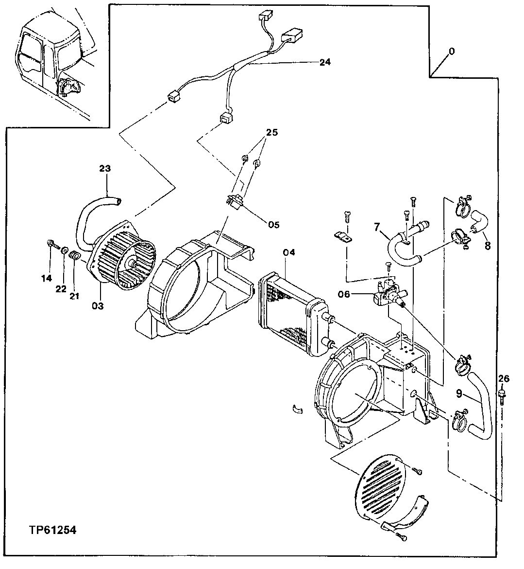
Запчасти John Deere 90E 113 - Cab Heater Components (For Units With Heater Only, No A/C) (011120 - ) 1830 HEATING AND AIR CONDITIONING

Схема запчастей John Deere 90E - 113 - Cab Heater Components (For Units With Heater Only, No A/C) (011120 - ) 1830 HEATING AND AIR CONDITIONING
FIT
1:1
100%

Артикул

Название

Примечание

Количество

1

4363008

Heater

(SUB FOR AT181234)

1шт.

3

4376473

Electric Motor

(SUB FOR AT181058)

1шт.

4

Core

( 4351448 NLA) (SUB FOR AT155638)

1шт.

5

4370271

Resistor

(SUB FOR AT214217)

1шт.

6

4376475

Flow Control Hyd. Valve

(SUB FOR AT181072)

1шт.

7

4353160

Line

(SUB FOR AT155641)

1шт.

8

Hose

(FURNISH TY22399 CUT AS NEEDED FROM BULK) (SUB FOR AT155642 OR 4353161)

1шт.

9

4353162

Radiator Hose

(SUB FOR AT155643)

1шт.

14

Screw With Washer

( J450512 NLA) (SUB FOR AT181073, 4376476)

3шт.

21M7158

Screw

M5 X 12

3шт.

12M7064

Lock Washer

5 mm

3шт.

21

4370267

Isolator

(SUB FOR AT214213)

3шт.

22

4370299

Washer

(SUB FOR AT214245)

1шт.

23

4376479

Hydraulic Hose

(SUB FOR AT181074)

1шт.

24

4376480

Wiring Harness

(SUB FOR AT181075)

1шт.

25

4370310

Screw

(SUB FOR AT214256)

2шт.

26

19M7662

Cap Screw

M10 X 30

4шт.

12M7066

Lock Washer

10 mm

4шт.

24M7028

Washer

10.500 X 20 X 2 mm

4шт.

Выбрано товаров: 19