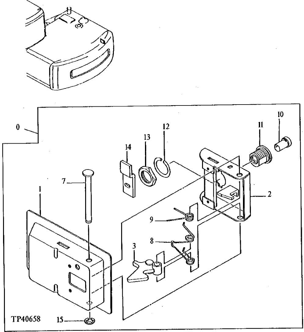
Запчасти John Deere 90E 126 - DOOR LOCK 1910 Hood Or Engine Enclosure

Схема запчастей John Deere 90E - 126 - DOOR LOCK 1910 Hood Or Engine Enclosure
FIT
1:1
100%

Артикул

Название

Примечание

Количество

0

Lock

(SUB AT214010)( TH110898 NOT AVAILABLE FOR SERVICE)

1шт.

1

8024490

Cover

(SUB FOR TH102241)

1шт.

2

4355969

Latch

(SUB FOR TH102242)

1шт.

3

Lever

( TH102229 NO LONGER AVAILABLE)

1шт.

7

4355972

Pin Fastener

(SUB FOR TH102230)

1шт.

8

4355973

Spring

(SUB FOR TH102233, THIS APPL ICATION ) (SUB FOR AT173242)

1шт.

9

4355974

Torsion Spring

(SUB FOR TH102243)

1шт.

10

4361411

Lock

(SUB FOR TH110128 ) (SUB FOR AT206102)

1шт.

4158653

Key

(SUB FOR TH101605)(NOT ILLUSTRATED)

1шт.

11

4134325

Lock

(SUB FOR TH102236)

1шт.

12

4355979

Ring

(SUB FOR TH102237, 4134322)

1шт.

13

4355980

Nut

(SUB FOR TH102238, 4134323)

1шт.

14

4355981

Strap

(SUB FOR TH102232, 4134331)

1шт.

15

CH11490

Ring

1шт.

Выбрано товаров: 14