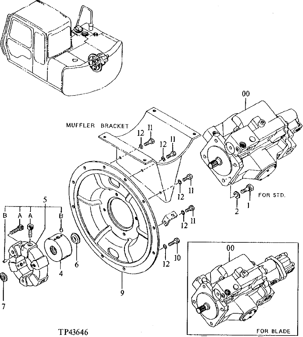
Запчасти John Deere 90E 131 - Main Hydraulic Pump 2160 HYDRAULIC SYSTEM

Схема запчастей John Deere 90E - 131 - Main Hydraulic Pump 2160 HYDRAULIC SYSTEM
FIT
1:1
100%

Артикул

Название

Примечание

Количество

0

4330251

Pump

NLA, SUB FOR AT200449 AND AT167070 Standard

1шт.

4330252

Pump

NLA, SUB FOR AT200508 AND AT167071 Blade

1шт.

1

19M7493

Cap Screw

M12 X 40

4шт.

2

12H301

Lock Washer

1/2"

4шт.

4

3031371

Splined Coupling

SUB FOR TH105918

1шт.

5

4275308

Absorber

SUB FOR AT200469

1шт.

5A

T108085

Cap Screw

6шт.

5B

34M7117

Spring Pin

5 X 10 mm

9шт.

6

4037895

Seal

SUB FOR TH105935

1шт.

7

A882035

Plug

SUB FOR TH105685

1шт.

9

Cover

AT200358 NOT AVAILABLE FOR SERVICE

1шт.

10

19H3483

Cap Screw

3/8" X 1-1/8"

6шт.

11

19H3239

Cap Screw

3/8" X 1-1/4"

4шт.

12

12H304

Lock Washer

3/8"

10шт.

Выбрано товаров: 0