Запчасти John Deere 90E 134 - OIL PIPINGS 2160 HYDRAULIC SYSTEM

Схема запчастей John Deere 90E - 134 - OIL PIPINGS 2160 HYDRAULIC SYSTEM
FIT
1:1
100%

Артикул

Название

Примечание

Количество

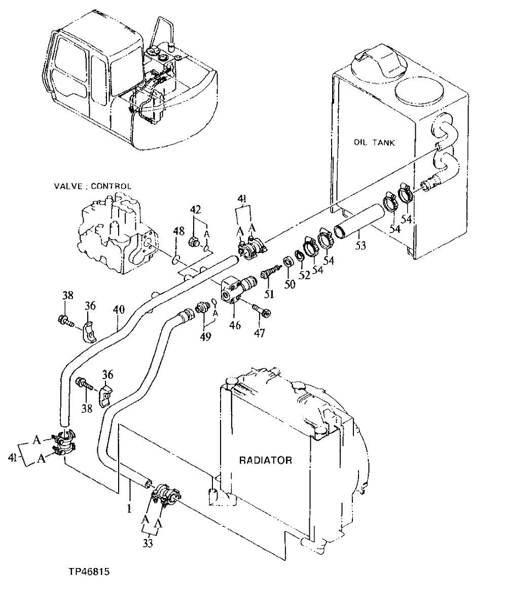
1

7026133

Line

SUB FOR AT200635

1шт.

33

4071213

Coupling

SUB FOR TH101923 AND FXV00000005

1шт.

33A

Coupling

SUB FOR TH106965 4196258 AND FXV00000005

2шт.

36

4190127

Clamp

SUB FOR TH108313

2шт.

38

19M7364

Cap Screw

M12 X 80 SUB FOR AT200006 OR J011280

2шт.

12M7067

Lock Washer

12 mm

2шт.

40

7026134

Line

SUB FOR AT200636

1шт.

41

4071213

Coupling

SUB FOR TH101923 4071213 AND FXV00000005

2шт.

41A

Coupling

SUB FOR TH106965 4196258 AND FXV00000005

2шт.

42

4174542

Drain Plug

SUB FOR TH110478

1шт.

42A

AT318035

O-Ring

SUB FOR 4506424, TH100055

1шт.

46

2023808

Manifold

SUB FOR TH110380

1шт.

47

19M8340

Screw

M10 X 65

4шт.

48

CH11436

O-Ring

1шт.

49

4042034

Adapter Fitting

SUB FOR TH110450

1шт.

49A

TH101926

O-Ring

28.700 X 3.500 mm (1.130" X 0.138")

1шт.

50

4197527

Ring

SUB FOR TH110549

1шт.

51

4197528

Flow Control Hyd. Valve

SUB FOR TH110550

1шт.

52

40M1860

Snap Ring

1шт.

53

4099118

Hose

SUB FOR TH110585

1шт.

54

TY22470

Clamp

SUB FOR AR65293

4шт.

Выбрано товаров: 0