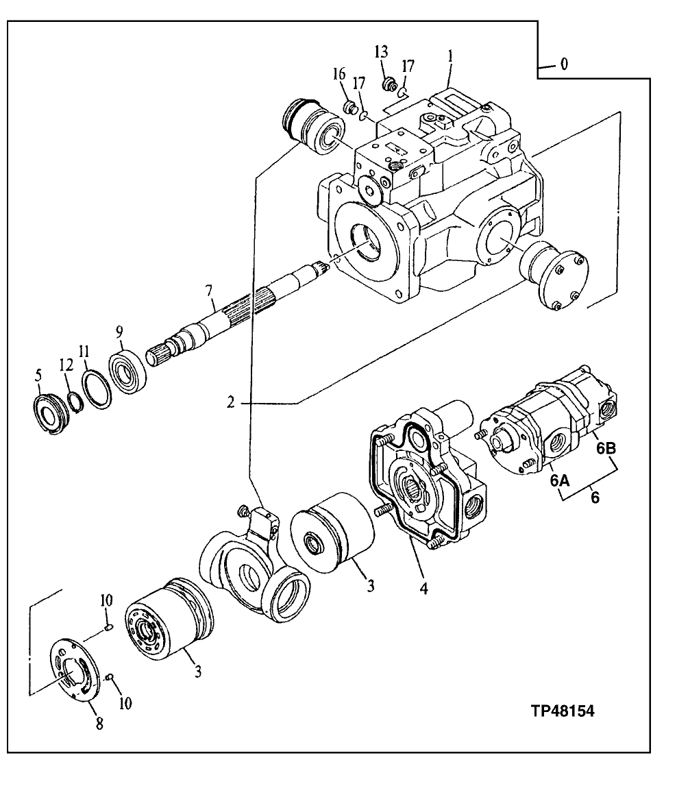
Запчасти John Deere 90E 143 - BLADE PISTON PUMP 2160 HYDRAULIC SYSTEM

Схема запчастей John Deere 90E - 143 - BLADE PISTON PUMP 2160 HYDRAULIC SYSTEM
FIT
1:1
100%

Артикул

Название

Примечание

Количество

0

4330252

Pump

NLA, SUB FOR AT200508 A ND AT167071 AND 4356089

1шт.

1

Housing

SUB FOR AT200560, 4308266 NLA

1шт.

2

4308267

Hanger

SUB FOR AT200561

1шт.

3

4330977

Valve Spool

SUB FOR AT200562 AND AT167072

2шт.

4

4308269

Cover

SUB FOR AT200563

1шт.

5

4318867

Case

SUB FOR AT200422 OR 4255181

1шт.

6

4680724

Gear

SUB FOR AT200564 ) (SUB FOR AT177903

1шт.

6A

4377974

Pump

SUB FOR AT177904

1шт.

6B

4255183

Pump

SUB FOR AT200423

1шт.

7

0385701

Shaft

SUB FOR AT200159

1шт.

8

0461601

Plate

SUB FOR AT200324

1шт.

9

0385703

Bearing

SUB FOR AT200160

1шт.

10

0294409

Pin

SUB FOR TH105844

2шт.

11

0385704

Shim

SUB FOR AT200161

1шт.

12

40M7296

Snap Ring

SUB FOR AT200162 AND 0385705

1шт.

13

0215221

Pipe Plug

SUB FOR TH101486

1шт.

16

0385706

Fitting

SUB FOR AT200163

1шт.

17

M800650

Packing

2шт.

Выбрано товаров: 0