Запчасти John Deere 90E 6 - PROPEL DRIVE 0260 HYDRAULIC SYSTEM

Схема запчастей John Deere 90E - 6 - PROPEL DRIVE 0260 HYDRAULIC SYSTEM
FIT
1:1
100%

Артикул

Название

Примечание

Количество

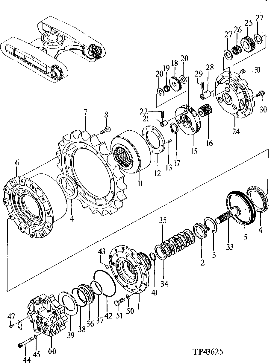
0

9118299

Hydraulic Motor

NLA, SUB FOR AT200698

1шт.

1

1016273

Housing

SUB FOR AT200349

1шт.

2

4192640

Spacer

SUB FOR AT130383

1шт.

3

40M7117

Snap Ring

1шт.

4

AT130382

Tapered Roller Bearing

2шт.

5

4082631

Seal

SUB FOR AT130368

1шт.

6

1016274

Drum

SUB FOR AT200350

1шт.

7

1012495

Chain Sprocket

SUB FOR AT200345

1шт.

8

19M8035

Cap Screw

M16 X 35

12шт.

11

2031521

Ring Gear

SUB FOR AT200362

1шт.

12

3036163

Nut

SUB FOR AT130343

1шт.

13

4148012

Dowel Pin

SUB FOR TH110463

1шт.

15

2031497

Planet Pinion Carrier

SUB FOR AT200360

1шт.

16

3054866

Sun Gear

SUB FOR AT200377

1шт.

17

40M7166

Snap Ring

1шт.

18

3054865

Gear

SUB FOR AT200376

3шт.

19

4271103

Needle Bearing

SUB FOR AT200441

3шт.

20

4271349

Shim

SUB FOR AT200443

6шт.

21

4271101

Bushing

SUB FOR AT200439

3шт.

22

34M7181

Spring Pin

4 X 45 mm

3шт.

24

1016275

Planet Pinion Carrier

SUB FOR AT200351

1шт.

25

3054864

Gear

SUB FOR AT200375

3шт.

26

4354748

Needle Bearing

SUB FOR TH108830 AND AT217768

3шт.

27

4269294

Shim

SUB FOR AT200437

6шт.

28

4271102

Spacer

SUB FOR AT200440

3шт.

29

34M5723

Spring Pin

5 X 55 mm

3шт.

30

19M8011

Cap Screw

M12 X 30

12шт.

12M7058

Lock Washer

12 mm SUB FOR 12M7067

12шт.

31

94-2013

Fitting Plug

SUB FOR TH100648

3шт.

33

2031498

Shaft

SUB FOR AT200361

1шт.

34

3064191

Plate

SUB FOR AT164168

6шт.

35

3064192

Plate

SUB FOR AT164170

5шт.

36

3036166

Piston

SUB FOR AT130346

1шт.

37

4150683

Ring

SUB FOR AT130376

1шт.

38

4150684

Ring

SUB FOR AT130377

1шт.

39

3017067

Washer

SUB FOR TH105888

1шт.

41

40M7062

Snap Ring

1шт.

42

4154877

O-Ring

SUB FOR TH110468

1шт.

43

4506418

O-Ring

SUB FOR U46489

1шт.

44

M341495

Bolt

SUB FOR 4192042 AND TH110499

6шт.

45

12H317

Lock Washer

9/16"

6шт.

47

37H99

Screw

0.100" X 1/4"

2шт.

50

R73290

Washer

16.280 X 27 X 2.670 mm (4 1/64" X 1-1/16" X 0.105")

20шт.

51

4248606

Bolt

SUB FOR AT200419

20шт.

Выбрано товаров: 44