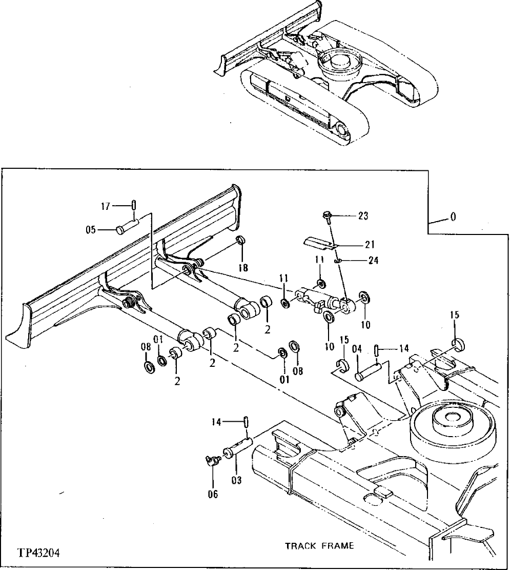
Запчасти John Deere 90E 153 - Blade ( - 010332) 3302 BUCKETS, TEETH, SHANKS AND SIDECUTTERS

Схема запчастей John Deere 90E - 153 - Blade ( - 010332) 3302 BUCKETS, TEETH, SHANKS AND SIDECUTTERS
FIT
1:1
100%

Артикул

Название

Примечание

Количество

0

8052406

Blade

(SUB FOR AT200707, 9114496)

1шт.

1

AT318031

Seal

(SUB FOR 4094087, TH105980)

4шт.

2

4128479

Bushing

(SUB FOR TH106015)

4шт.

3

4286911

Pin Fastener

(SUB FOR AT200496)

2шт.

4

4286912

Pin Fastener

(SUB FOR AT200497)

2шт.

5

4286913

Pin Fastener

(SUB FOR AT200498)

2шт.

6

T116334

Lubrication Fitting

2шт.

8

4042135

Washer

56 X 100 X 2.300 mm (2.205" X 3-1 5/16" X 0.091") (SUB FOR TH105940)

4шт.

10

4300866

Washer

(SUB FOR AT200523)

4шт.

11

4300920

Washer

41 X 80 X 2.300 mm (1.614" X 3.1 50" X 0.091") (SUB FOR AT200525)

4шт.

14

4065689

Pin Fastener

17.500 X 81 mm (0.689" X 3.189") (SUB FOR TH100625)

4шт.

15

4065688

Retainer

(SUB FOR TH100624)

4шт.

17

4244708

Pin Fastener

16 X 57 mm (0.630" X 2. 244") (SUB FOR AT200417)

2шт.

18

4271155

Ring

(SUB FOR AT200442)

2шт.

21

4289624

Cover

(SUB FOR AT200503)

2шт.

23

19M7938

Cap Screw

M10 X 20

4шт.

24

24M7346

Washer

11 X 20 X 2 mm

4шт.

Выбрано товаров: 17