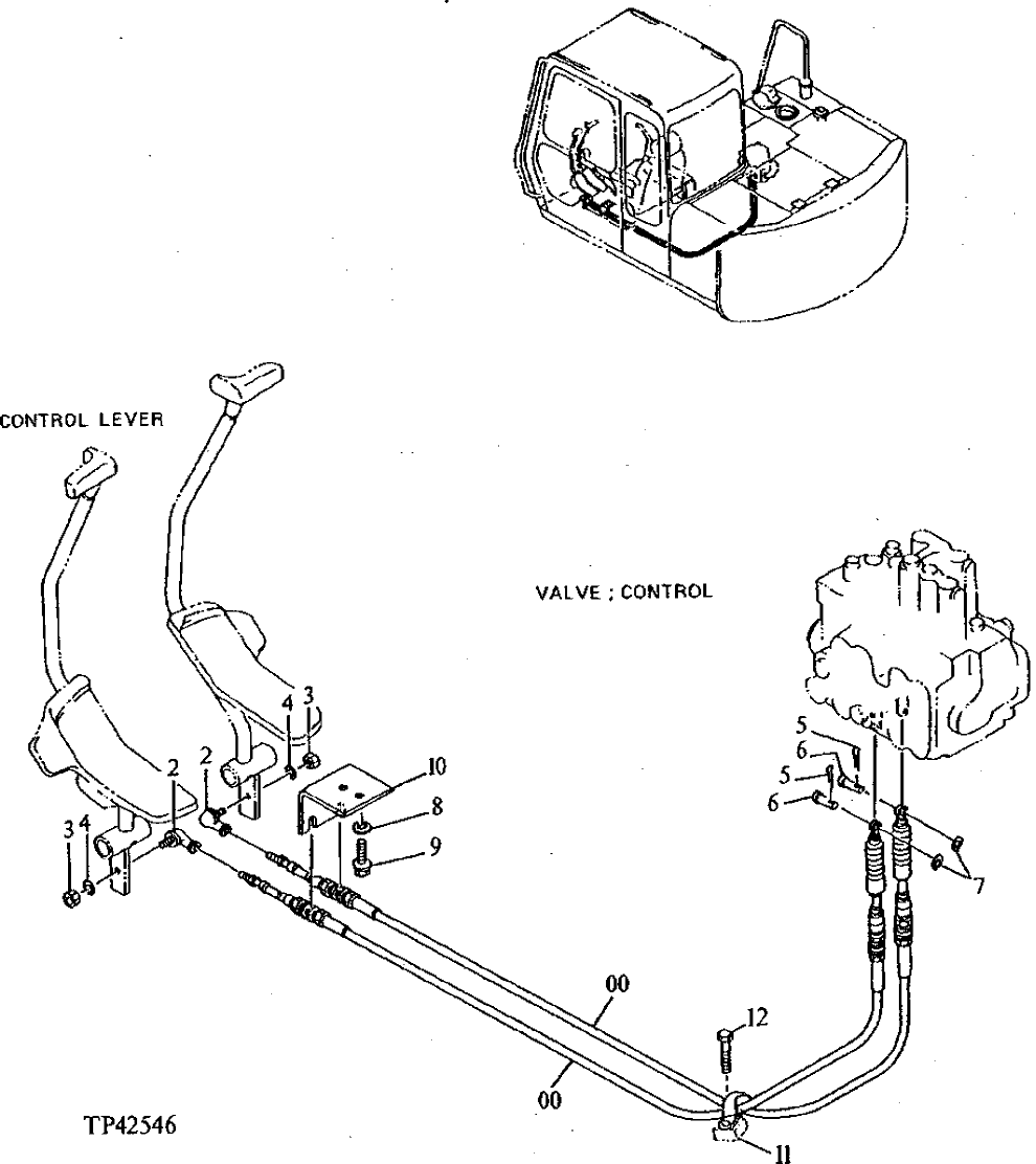
Запчасти John Deere 90E 168 - CONTROL LEVER CABLE 3315 Control Linkage

Схема запчастей John Deere 90E - 168 - CONTROL LEVER CABLE 3315 Control Linkage
FIT
1:1
100%

Артикул

Название

Примечание

Количество

0

4274663

Cable

(SUB FOR AT200463)

2шт.

2

T110021

Ball Joint Socket

2шт.

3

14M7273

Nut

M8

2шт.

4

12M7056

Lock Washer

8 mm (SUB FOR 12M7065)

2шт.

5

11M7077

Cotter Pin

1.600 X 25 mm (SUB FOR 11M7076)

2шт.

6

4168988

Pin

6 X 21.200 mm (0.236" X 0 .835") (SUB FOR TH108075)

2шт.

7

24M7054

Washer

6.400 X 12 X 1.600 mm

2шт.

8

24M7345

Washer

13.500 X 24 X 2.500 mm

2шт.

9

19M7872

Cap Screw

M12 X 25

2шт.

12H301

Lock Washer

1/2"

2шт.

10

4274875

Bracket

(SUB FOR AT200466)

1шт.

11

T28949

Clamp

(SUB FOR TH108458 OR 4190274)

1шт.

12

19M7938

Cap Screw

M10 X 20

1шт.

12M7066

Lock Washer

10 mm

1шт.

Выбрано товаров: 14