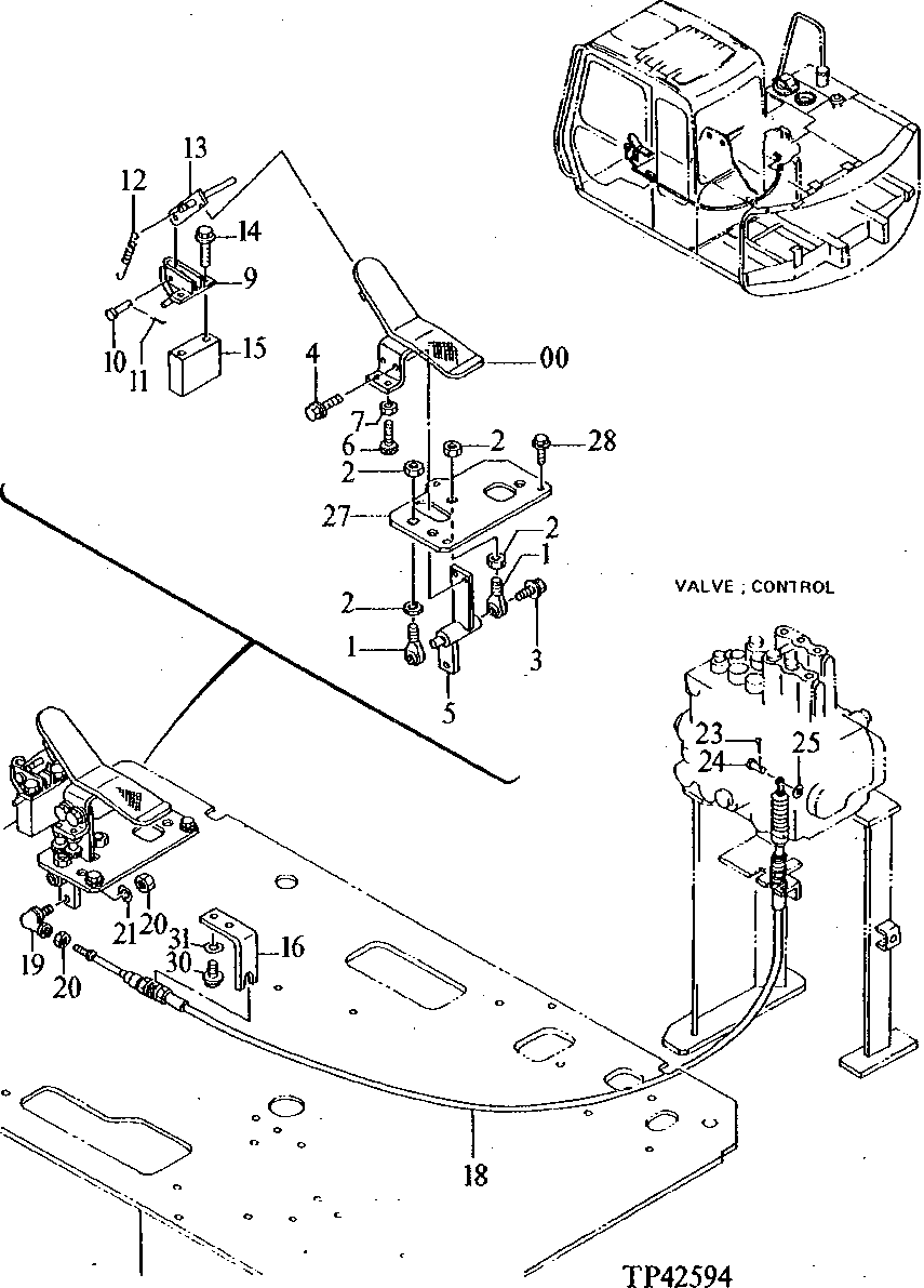
Запчасти John Deere 90E 170 - SPARE PEDAL 3315 Control Linkage

Схема запчастей John Deere 90E - 170 - SPARE PEDAL 3315 Control Linkage
FIT
1:1
100%

Артикул

Название

Примечание

Количество

0

8055198

Pedal

(SUB FOR AT200683)

1шт.

1

4041959

Link End

(SUB FOR TH103790)

2шт.

2

14M7345

Nut

M14 (SUB FOR J952014 ) (SUB FOR TH103791)

4шт.

3

19M7493

Cap Screw

M12 X 40

1шт.

12M7058

Lock Washer

12 mm (SUB FOR 12M7067)

1шт.

24M7345

Washer

13.500 X 24 X 2.500 mm

1шт.

4

19M7662

Cap Screw

M10 X 30

2шт.

12M7066

Lock Washer

10 mm

2шт.

5

9738318

Lever

(SUB FOR AT200714)

1шт.

6

19M8735

Screw

M8 X 30

2шт.

7

14M7273

Nut

M8

2шт.

9

8034081

Bracket

(SUB FOR TH110193)

1шт.

10

45M3667

Pin Fastener

10 X 28 mm (SUB FOR TH105681)

1шт.

11

11M7082

Cotter Pin

2.500 X 25 mm (SUB FOR 11M7080)

1шт.

12

4149125

Spring

(SUB FOR TH106748)

1шт.

13

9733399

Bracket

(SUB FOR AT134303)

1шт.

14

12M7066

Lock Washer

10 mm

2шт.

19M8093

Cap Screw

M10 X 100

2шт.

15

4288726

Strap

(SUB FOR AT200502)

1шт.

16

Bracket

( AT200545 NO LONGER AVAILABLE) (SUB AT1699 43, ALONG WITH (2) 19M8011 AND (2) 12M7067)

1шт.

4342305

Angle

(SUB FOR AT169943)

1шт.

18

4274664

Cable

(SUB FOR AT200464)

1шт.

19

T110021

Ball Joint Socket

1шт.

20

14M7273

Nut

M8

2шт.

21

12M7056

Lock Washer

8 mm (SUB FOR 12M7065)

1шт.

23

11M7077

Cotter Pin

1.600 X 25 mm (SUB FOR 11M7076)

1шт.

24

4168988

Pin

6 X 21.200 mm (0.236" X 0 .835") (SUB FOR TH108075)

1шт.

25

24M7054

Washer

6.400 X 12 X 1.600 mm

1шт.

27

4288725

Plate

(SUB FOR AT200501)

1шт.

28

19M7662

Cap Screw

M10 X 30

3шт.

12M7066

Lock Washer

10 mm

3шт.

30

19M7872

Cap Screw

M12 X 25 (USE WITH AT200545 BRACKET)

2шт.

12H301

Lock Washer

1/2" (USE WITH AT200545 BRACKET)

2шт.

12M7058

Lock Washer

12 mm (SUB FOR 12M7067)(U SE WITH AT169943 BRACKET)

2шт.

19M8011

Cap Screw

M12 X 30 (USE WITH AT169943 BRACKET)

2шт.

31

24M7345

Washer

13.500 X 24 X 2.500 mm

2шт.

40

Kit

(AUXILIARY HYDRAULICS) (NOT ILLUSTRATED ) (CONTAINS ALL ITEMS ON THIS PAGE - ADD ITIONAL COMPONENTS LISTED ON OFFSET BOOM MAIN PIPINGS PAGE) ( AT169377 NO LONGER AVAILABLE) (ORDER INDIVIDUAL COMPONENTS )

1шт.

Выбрано товаров: 37