Запчасти John Deere 90E 182 - PILOT PIPINGS 3360 HYDRAULIC SYSTEM

Схема запчастей John Deere 90E - 182 - PILOT PIPINGS 3360 HYDRAULIC SYSTEM
FIT
1:1
100%

Артикул

Название

Примечание

Количество

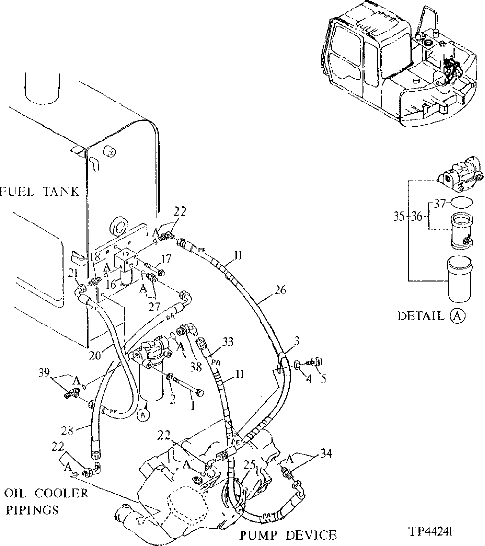
1

J901095

Bolt

SUB FOR AT121865

2шт.

2

12M7066

Lock Washer

10 mm

2шт.

3

R73384

Clamp

SUB FOR TH108597 OR 4190253

1шт.

4

12M7066

Lock Washer

10 mm

1шт.

5

19M7486

Screw

M10 X 16

1шт.

11

4327315

Hose Guard

SUB FOR TH106022, 4133527 OR 4327293

2шт.

16

4273526

Solenoid Valve

SUB FOR AT200456

1шт.

17

Screw With Washer

J010860 NLA

2шт.

19M7932

Cap Screw

M8 X 16

2шт.

12M7065

Lock Washer

8 mm

2шт.

18

4200465

Adapter Fitting

SUB FOR TH108328

1шт.

18A

M800650

Packing

1шт.

20

AR101376

Hydraulic Hose

11.1252" X 355 mm (14") X 11.1252"

1шт.

21

AH89069

Elbow Fitting

1шт.

22

4154670

Elbow Fitting

SUB FOR TH100951

3шт.

22A

M800650

Packing

1шт.

25

H77698

Tie Band

1шт.

26

AT164029

Hydraulic Hose

11.1252" X 800 mm (31-1/2") X 11.1252"

1шт.

27

4200465

Adapter Fitting

SUB FOR TH108328

1шт.

27A

M800650

Packing

1шт.

28

AT164030

Hydraulic Hose

11.1252" X 500 mm (19-3/4") X 11.1252"

1шт.

33

AT200758

Hydraulic Hose

3/4" X 1000 mm (39-1/4") X 3/4"

1шт.

34

X8-10F5OX

Adapter Fitting

SUB FOR TH101006

1шт.

34A

4506418

O-Ring

17.800 X 2.400 mm (0.701 " X 3/32") SUB FOR U46489

1шт.

35

4631976

Oil Filter

SUB FOR TH108402, 4191300

1шт.

36

AT186554

Filter Element

SUB FOR AT147821

1шт.

37

CH17154

Packing

1шт.

38

4154672

Elbow Fitting

SUB FOR TH101008

1шт.

38A

4506418

O-Ring

17.800 X 2.400 mm (0.701 " X 3/32") SUB FOR U46489

1шт.

39

4217345

Tee Fitting

SUB FOR AT126685

1шт.

39A

4506418

O-Ring

17.800 X 2.400 mm (0.701 " X 3/32") SUB FOR U46489

1шт.

Выбрано товаров: 31