Запчасти John Deere 90E 186 - PILOT PIPINGS 3360 HYDRAULIC SYSTEM

Схема запчастей John Deere 90E - 186 - PILOT PIPINGS 3360 HYDRAULIC SYSTEM
FIT
1:1
100%

Артикул

Название

Примечание

Количество

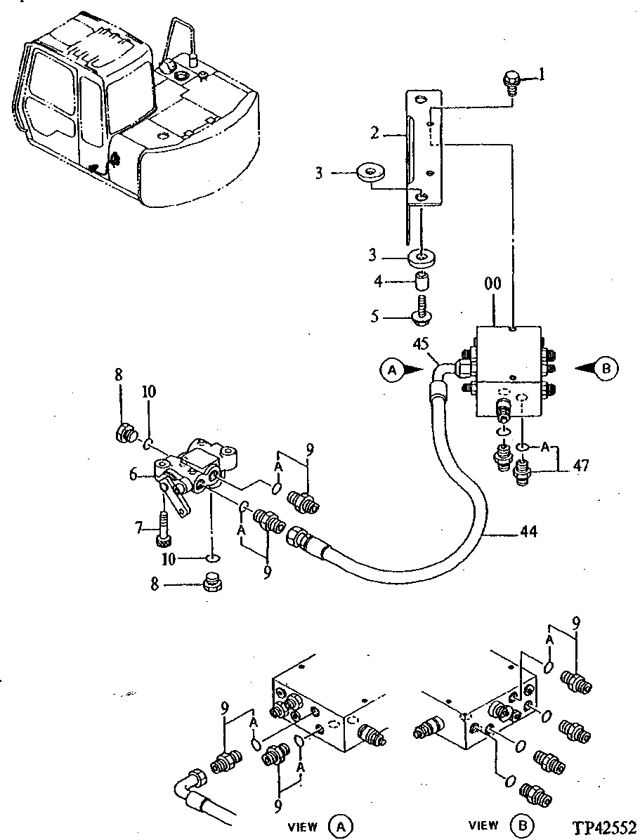
0

4294401

Flow Control Hyd. Valve

(SUB FOR AT200514)(FLOW CONTROL)

1шт.

1

19M7938

Cap Screw

M10 X 20

2шт.

12M7066

Lock Washer

10 mm

2шт.

2

3059688

Bracket

(SUB FOR AT200388)

1шт.

3

4284208

Isolator

(SUB FOR AT200487)

4шт.

4

4283526

Spacer

10.400 X 15 X 18.500 mm (0.409" X 0.591" X 0.728") (SUB FOR AT200486)

2шт.

5

19M7358

Cap Screw

M10 X 40 (SUB FOR AT200009 OR J031040, USE ALONG WITH 12M7066 , AND 24M7296)

2шт.

12M7066

Lock Washer

10 mm

2шт.

24M7296

Washer

10.500 X 30 X 2.500 mm

2шт.

6

4254611

Flow Control Hyd. Valve

(SUB FOR AT154216)(LOCK - PILOT SHUTOFF)

1шт.

7

19M8904

Screw

M10 X 45 (SUB FOR M341045)

2шт.

8

15M7036

Drain Plug

(SUB FOR TH109285 OR 0309805)

2шт.

9

4200466

Adapter Fitting

(SUB FOR TH108320)

8шт.

9A

CH11570

O-Ring

1шт.

10

CH11570

O-Ring

2шт.

44

AR84721

Hydraulic Hose

9/16" X 520 mm (20-1/2") X 9/16"

1шт.

45

AE24616

Elbow Fitting

1шт.

47

4200465

Adapter Fitting

(SUB FOR TH108328)

2шт.

47A

M800650

Packing

1шт.

Выбрано товаров: 19