Запчасти John Deere 90E 220 - Swing Motor 4360 HYDRAULIC SYSTEM

Схема запчастей John Deere 90E - 220 - Swing Motor 4360 HYDRAULIC SYSTEM
FIT
1:1
100%

Артикул

Название

Примечание

Количество

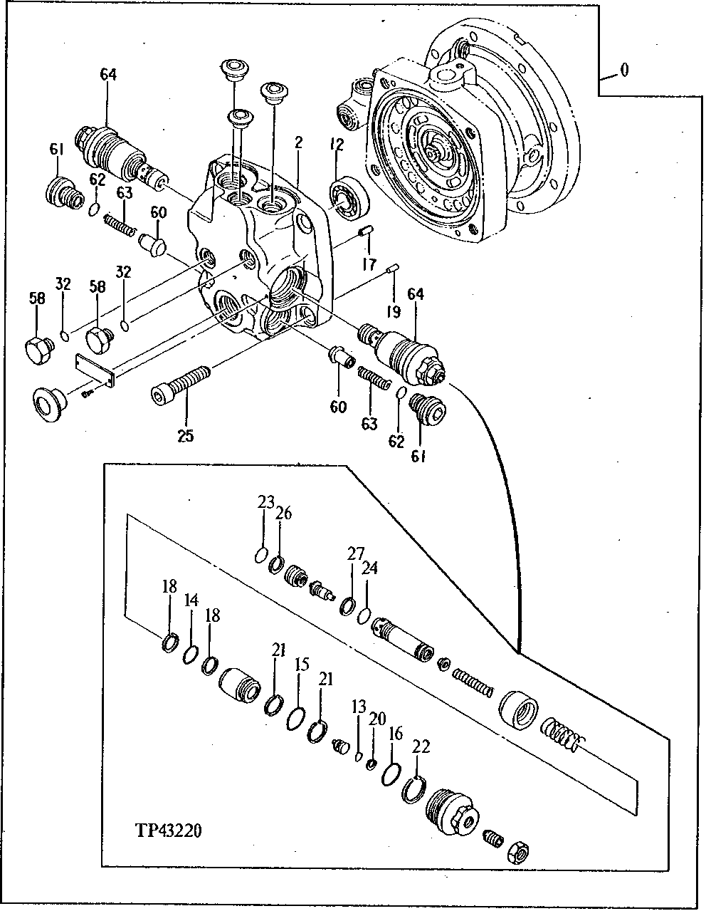
0

Hydraulic Motor

SUB FOR AT200450, AT190566 NLA Contain s All Items Listed On This Page Additio nal Components Listed On Following Page

1шт.

4325475

Hydraulic Motor

SUB FOR AT190566, ALONG WITH 0602201

1шт.

0602201

Plug

SUB FOR AT190567

1шт.

2

0444101

Cover

SUB FOR AT200205

1шт.

12

JD30015

Ball Bearing

SUB FOR AT200206

1шт.

13

CH17167

O-Ring

9.800 X 1.900 mm (0.386" X 0.075")

1шт.

14

4506418

O-Ring

17.800 X 2.400 mm (0.701 " X 3/32") SUB FOR U46489

1шт.

15

AT264333

O-Ring

SUB FOR TH100096

1шт.

16

985098

O-Ring

31.700 X 3.500 mm (1.248" X 0.138") SUB FOR TH102528

1шт.

17

0444103

Pin Fastener

5 X 14 mm (0.197" X 0. 551") SUB FOR AT200207

1шт.

18

4033725

Back-Up Ring

SUB FOR TH103576 OR 4S01080

2шт.

19

0444104

Pin Fastener

6 X 20.800 mm (0.236" X 0.819") SUB FOR AT200208

2шт.

20

4036979

Ring

SUB FOR TH105933

1шт.

21

4028266

Back-Up Ring

22 X 28 X 1.250 mm (0.866" X 1. 102" X 0.049") SUB FOR AT132396

2шт.

22

4013283

Back-Up Ring

SUB FOR AT200398

1шт.

23

T111819

O-Ring

14.800 X 2.400 mm (0.583" X 3/32")

1шт.

24

4506416

O-Ring

15.800 X 2.400 mm (0.622" X 3/32") SUB FOR TH102561

1шт.

25

19M8531

Screw

M14 X 35 (SUB FOR TH103605)

4шт.

26

4040814

Back-Up Ring

15 X 19 X 1.250 mm (0.591" X 0. 748" X 0.049") SUB FOR TH105938

1шт.

27

4085607

Back-Up Ring

SUB FOR TH102562

1шт.

32

M800650

Packing

2шт.

58

0419902

Fitting Plug

SUB FOR TH109062 OR AT201563

2шт.

60

0444105

Poppet

SUB FOR AT200209

2шт.

61

0444106

Plug

SUB FOR AT200210

2шт.

62

985099

O-Ring

20.800 X 2.400 mm (0.819" X 3/32") SUB FOR TH101479

2шт.

63

0444107

Spring

SUB FOR AT200211

2шт.

64

4307375

Pressure Relief Valve

SUB FOR AT200555

2шт.

Выбрано товаров: 27