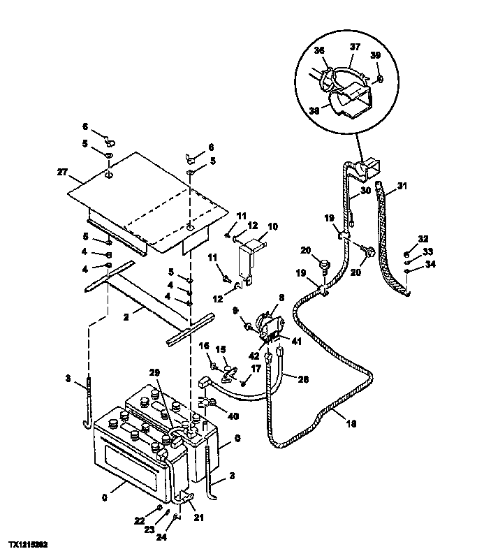
Запчасти John Deere 00CLC 152 - Batteries, Cover and Starter Relay 1671 BATTERIES, SUPPORT & CABLES

Схема запчастей John Deere 00CLC - 152 - Batteries, Cover and Starter Relay 1671 BATTERIES, SUPPORT & CABLES
FIT
1:1
100%

Артикул

Название

Примечание

Количество

0

TY23020

Dry Charged Battery

SUB FOR TY21709, ALSO ORDER TY15733 12 Volt

2шт.

2

AT219489

Support

1шт.

3

4257034

Hook Bolt

SUB FOR AT155273

2шт.

4

14M7274

Nut

M10

4шт.

5

24M7028

Washer

10.500 X 20 X 2 mm

4шт.

6

14M7025

Wing Nut

M10

2шт.

8

8943795431

Relay

SUB FOR 4255762 AND AT154229 Battery

1шт.

9

21M7288

Screw

M6 X 10

2шт.

10

3087816

Cover

SUB FOR TH3087816

1шт.

11

19M7932

Cap Screw

M8 X 16

3шт.

12

24M7055

Washer

8.400 X 16 X 1.600 mm

3шт.

15

AT145341

Relay

1шт.

16

19M7077

Cap Screw

M6 X 20

2шт.

12M7006

Lock Washer

6 mm

2шт.

24M7293

Washer

6.500 X 13 X 1.600 mm

2шт.

17

14M7272

Nut

M6

2шт.

18

4373215

Battery Cable

SUB FOR AT215098 Starter To Battery Relay

1шт.

19

T28949

Clamp

SUB FOR TH108460 OR 4190273

2шт.

20

19M7938

Cap Screw

M10 X 20

2шт.

12M7066

Lock Washer

10 mm

2шт.

21

DH400205

Ground Cable

SUB FOR AR45925, THIS A PPLICATION Ground Strap

1шт.

22

14M7274

Nut

M10

1шт.

23

12M7066

Lock Washer

10 mm

1шт.

24

24M7028

Washer

10.500 X 20 X 2 mm

1шт.

27

DH800054

Cover

SUB FOR THDH800054

1шт.

28

DH400206

Wiring Harness

SUB FOR AT213947, 4350735 N LA Battery To Battery Relay

1шт.

29

DH400410

Battery Cable

SUB FOR AT213948, 435073 6 NLA Battery To Battery

1шт.

30

4448296

Wiring Harness

SUB FOR AT155617 Starter

1шт.

31

4397839

Ground Cable

SUB FOR AT218179

1шт.

32

14M7274

Nut

M10

1шт.

33

12M7066

Lock Washer

10 mm

1шт.

34

12M7066

Lock Washer

10 mm

1шт.

36

H77698

Tie Band

1шт.

37

H77698

Tie Band

1шт.

38

Cover

Starter

1шт.

39

Nut

1шт.

40

AT219485

Elec. Connector Terminal

On Battery Terminals

4шт.

41

4315323

Fuse

45 Amp

1шт.

42

4423418

Fuse

65 Amp

1шт.

Выбрано товаров: 0