Запчасти John Deere 00CLC 239 - HEAVY DUTY HIGH CAPACITY BUCKET 3302 BUCKET WITH TEETH

Схема запчастей John Deere 00CLC - 239 - HEAVY DUTY HIGH CAPACITY BUCKET 3302 BUCKET WITH TEETH
FIT
1:1
100%

Артикул

Название

Примечание

Количество

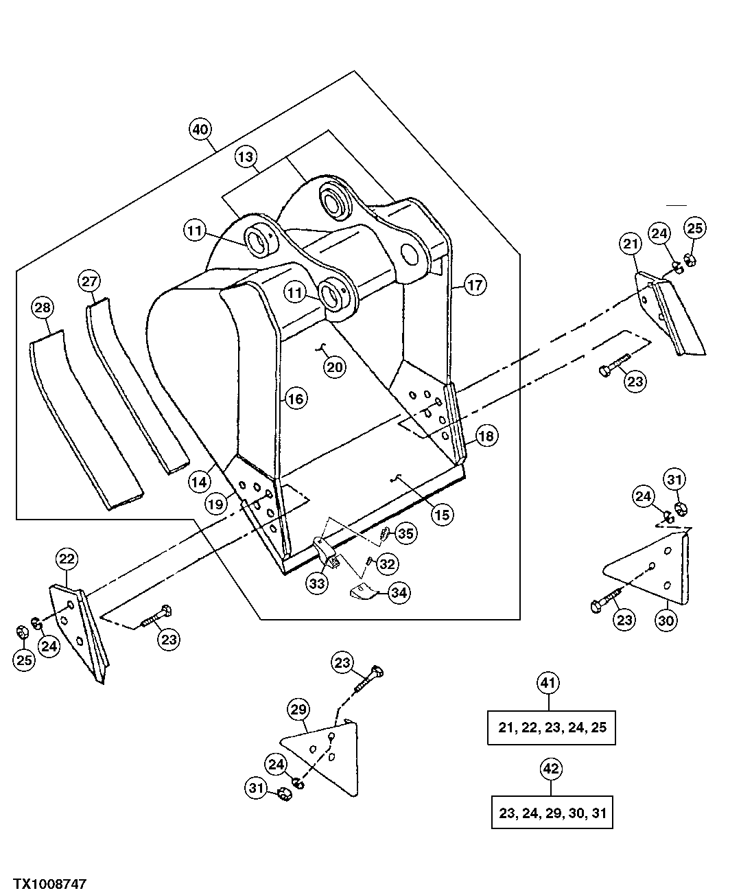
11

TH104509

Bushing

Locking Collar

2шт.

13

C607480

Pivot

(A) Bucket Ear Blank Assembly

1шт.

14

300167

Plate

(A) (RH/LH)

2шт.

15

Cutting Edge

(CTL) (ORDER AT131090)

1шт.

C252567

Cutting Edge

(A) Use With 36 in. Bucket (CTL)

1шт.

16

300159

Vertical Cutter

(A) (RH) Upper

1шт.

17

300160

Vertical Cutter

(A) (LH) Upper

1шт.

18

300158

Vertical Cutter

(A) Insert (LH)

1шт.

19

300157

Vertical Cutter

(A) Insert (RH)

1шт.

20

600118

Moldboard

(A) (24 INCH)

1шт.

600119

Moldboard

(A) (30 INCH)

1шт.

600120

Moldboard

(A) (36 INCH)

1шт.

600121

Moldboard

(A) (42 INCH)

1шт.

600122

Moldboard

(A) (48 INCH)

1шт.

21

Cutting Edge

(LH) (SUB AT131085)

1шт.

22

Cutting Edge

(RH) (SUB AT131085)

1шт.

23

09H1771

Bolt

7/8" X 3"

6шт.

24

12H245

Lock Washer

7/8"

6шт.

25

14H1077

Nut

7/8"

6шт.

27

300156

Bar

(A) Inner Wear

1шт.

28

306452

Bar

(A) Outer Wear

2шт.

29

Shroud

Wear (SUB AT167876)

1шт.

30

Shroud

Wear (SUB AT167876)

1шт.

31

14H1044

Nut

7/8"

6шт.

32

TK290

Pin

ARшт.

33

T158X290

Bucket Tooth Adapter

ARшт.

34

TF290

Tooth

ARшт.

35

TK130

Shaft Key

ARшт.

40

Excavator Bucket

24 in., 0.73 yd³, 4 Teeth ( AT332693 N LA) (SUB FOR AT163616 ) (SUB AT339138)

1шт.

Excavator Bucket

30 in., 0.95 yd³, 4 Teeth ( AT332695 N LA) (SUB FOR AT163617 ) (SUB AT339140)

1шт.

Excavator Bucket

36 in., 1.16 yd³, 5 Teeth ( AT332696 N LA) (SUB FOR AT163618 ) (SUB AT339142)

1шт.

Excavator Bucket

42 in., 1.38 yd³, 5 Teeth ( AT332697 N LA) (SUB FOR AT163620 ) (SUB AT339144)

1шт.

Excavator Bucket

48 in., 1.6 yd³, 6 Teeth ( AT332698 N LA) (SUB FOR AT199358 ) (SUB AT339146)

1шт.

41

Kit

Cutting Edge ( AT131085 NLA

1шт.

42

Kit

( AT167876 NLA) Wear

1шт.

Выбрано товаров: 35