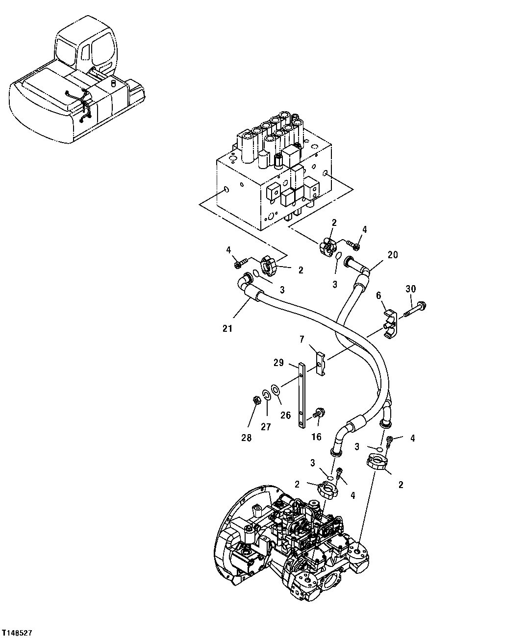
Запчасти John Deere 00CLC 327 - HYDRAULIC PUMP TO CONTROL VALVE HIGH PRESSURE HOSES 3363 Lines, Hoses & Fittings

Схема запчастей John Deere 00CLC - 327 - HYDRAULIC PUMP TO CONTROL VALVE HIGH PRESSURE HOSES 3363 Lines, Hoses & Fittings
FIT
1:1
100%

Артикул

Название

Примечание

Количество

2

4085560

Flange

8шт.

3

966993

O-Ring

4шт.

4

19M9163

Screw

M12 X 40 (SUB FOR J781240)

16шт.

6

8061722

Clamp

1шт.

7

3072291

Clamp

1шт.

16

19M7493

Cap Screw

M12 X 40 (SUB FOR J011240)

2шт.

20

AT318024

Hydraulic Hose

(SUB FOR 4374095)

1шт.

21

DH400239

Hydraulic Hose

( 4422486 NOT USED FOR THIS APPLICATION)

1шт.

26

24M7047

Washer

13 X 24 X 2.500 mm (SUB FOR A590112)

1шт.

27

12H301

Spring Washer

(SUB FOR A590912)

1шт.

28

14M7275

Nut

M12 (SUB FOR J950012)

1шт.

29

DH800059

Bracket

( 4451554 NOT USED FOR THIS APPLICATION)

1шт.

30

J011200

Screw With Washer

1шт.

Выбрано товаров: 13