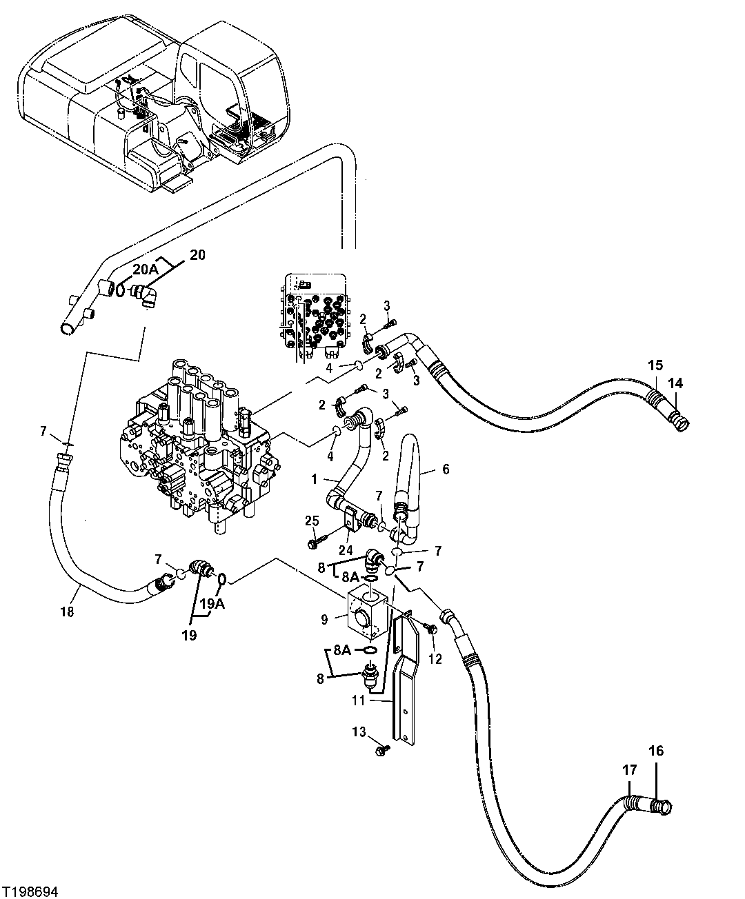
Запчасти John Deere 00CLC 363 - THIRD FUNCTION HYDRAULIC HOSES AND OIL LINES 3363 Lines, Hoses & Fittings

Схема запчастей John Deere 00CLC - 363 - THIRD FUNCTION HYDRAULIC HOSES AND OIL LINES 3363 Lines, Hoses & Fittings
FIT
1:1
100%

Артикул

Название

Примечание

Количество

1

8079794

Oil Line

SUB FOR TH8079794

1шт.

2

H61354

Flange Fitting

4шт.

3

19M7576

Screw

M10 X 30 SUB FOR J781030

8шт.

4

T78313

O-Ring

32.920 X 3.530 mm (1.296" X 0.139")

2шт.

6

4308972

Hydraulic Hose

SUB FOR TH4308972

1шт.

7

T76938

O-Ring

23.520 X 1.780 mm (0.926" X 0.070")

5шт.

8

A853388

Elbow Fitting

SUB FOR TH108325 OR 4198799

2шт.

8A

TH101926

O-Ring

28.700 X 3.500 mm (1.130" X 0.138")

1шт.

9

4455599

Valve

SUB FOR TH4455599

1шт.

11

8079166

Bracket

SUB FOR TH8079166

1шт.

12

19M8011

Cap Screw

M12 X 30

2шт.

12M7058

Lock Washer

12 mm SUB FOR 12M7067

2шт.

13

19M7403

Cap Screw

M12 X 35

2шт.

12H301

Lock Washer

1/2"

2шт.

24M7047

Washer

13 X 24 X 2.500 mm

2шт.

14

4429988

Hydraulic Hose

SUB FOR TH4429988

1шт.

15

Hose Guard

(MAKE FROM XHG-075, BULK MATERIAL CUT TO LENGTH) (SUB FOR AT213832 ( 4327294 NLA))

5шт.

16

4448718

Hydraulic Hose

(SUB FOR TH9197376 OR 9197376)W/ (6) XHG-075, BULK MATERIAL, CUT TO LENGTH)

1шт.

17

Hose Guard

MAKE FROM XHG-075, BULK MATERIAL, CUT TO LENGTH SUB FOR AT213832, 4327294 NLA

6шт.

18

4307330

Hydraulic Hose

SUB FOR TH4307330

1шт.

19

FYA00046237

Elbow Fitting

SUB FOR AT201732 OR 4270315

1шт.

19A

TH101926

O-Ring

28.700 X 3.500 mm (1.130" X 0.138")

1шт.

20

A853388

Elbow Fitting

SUB FOR TH108325 OR 4198799

1шт.

20A

TH101926

O-Ring

28.700 X 3.500 mm (1.130" X 0.138")

1шт.

24

4190127

Clamp

SUB FOR TH108313

1шт.

25

19M8088

Cap Screw

M12 X 75

1шт.

24M7047

Washer

13 X 24 X 2.500 mm

1шт.

12M7058

Lock Washer

12 mm SUB FOR 12M7067

1шт.

Выбрано товаров: 0