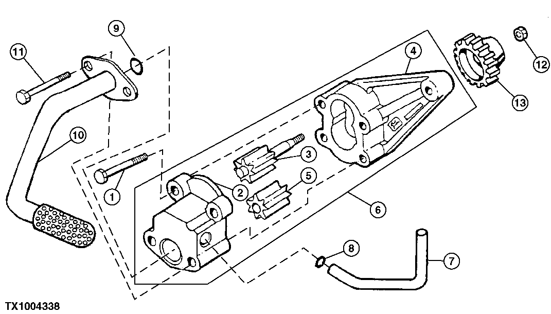
Запчасти John Deere 00CLC 55 - 5001 ENGINE OIL PUMP INTAKE WITH GEAR 0400A Engine 6068HT053 6068HT053

Схема запчастей John Deere 00CLC - 55 - 5001 ENGINE OIL PUMP INTAKE WITH GEAR 0400A Engine 6068HT053 6068HT053
FIT
1:1
100%

Артикул

Название

Примечание

Количество

1

19M8987

Screw

M8 X 65

2шт.

2

Cover

1шт.

3

Gear

1шт.

4

Housing

1шт.

5

Gear

1шт.

6

RE504914

Oil Pump

(MARKED R502687)

1шт.

SE501814

Oil Pump Reman

(REMAN FOR RE504914)

1шт.

7

R121376

Tube

1шт.

8

R97185

O-Ring

1шт.

9

R61871

O-Ring

1шт.

10

RE69898

Oil Pump Intake

1шт.

11

19M8986

Screw

M8 X 100

2шт.

12

14M7066

Nut

M12

1шт.

13

R120638

Gear

(Z = 30)

1шт.

Выбрано товаров: 14