Запчасти John Deere 200LC, 330LC, 370 136 - Pilot Piping (72 Inch Rear Entry Cab - Butt-N-Top) 3360 HYDRAULIC SYSTEM

Схема запчастей John Deere 200LC, 330LC, 370 - 136 - Pilot Piping (72 Inch Rear Entry Cab - Butt-N-Top) 3360 HYDRAULIC SYSTEM
FIT
1:1
100%

Артикул

Название

Примечание

Количество

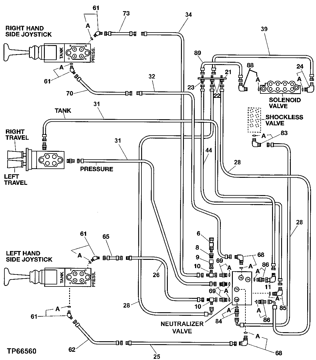
6

4254563

Pressure Switch

(SUB FOR AT154212)

1шт.

8

FFSB102268

Adapter Fitting

1шт.

9

FFSB102173

Adapter Fitting

1шт.

10

AT36921

Tee Fitting

2шт.

11

AE24616

Elbow Fitting

1шт.

21

Plate

(NOT AVAILABLE FOR SERVICE)

1шт.

22

R27238

Fitting

2шт.

23

R52831

Fitting

1шт.

24

4190244

Elbow Fitting

(SUB FOR TH106152)

1шт.

24A

CH11570

O-Ring

1шт.

25

FFSB102260

Hydraulic Hose

1шт.

26

FFSB102548

Hydraulic Hose

1шт.

28

FFSB102550

Hydraulic Hose

3шт.

31

FFSB102261

Hydraulic Hose

2шт.

32

FFSB102247

Hydraulic Hose

1шт.

34

FFSB102262

Hydraulic Hose

1шт.

39

FFSB102238

Hydraulic Hose

1шт.

44

FFSB102560

Hydraulic Hose

1шт.

61

A852223

Elbow Fitting

(SUB FOR AT154994 OR 4286916)

4шт.

61A

M800650

Packing

1шт.

62

AT215539

Hydraulic Hose

1шт.

65

AT215538

Hydraulic Hose

1шт.

68

A852333

Elbow Fitting

(SUB FOR TH101047 ) (SUB FOR 4154671)

2шт.

68A

CH11570

O-Ring

2шт.

69

4261938

Fitting

(SUB FOR AT154285)

3шт.

69A

CH11570

O-Ring

1шт.

70

AT217773

Hydraulic Hose

(SUB FOR AT215543)

1шт.

73

AT215542

Hydraulic Hose

1шт.

83

AT318014

Elbow Fitting

(SUB FOR 4156434 ) (SUB FOR TH101930)

1шт.

83A

M800650

Packing

1шт.

84

4346499

Filter

(SUB FOR AT213911)

1шт.

84A

M800650

Packing

1шт.

85

4219345

Elbow Fitting

(SUB FOR AT130819)

1шт.

85A

CH11570

O-Ring

1шт.

86

4200466

Adapter Fitting

(SUB FOR TH108320)

2шт.

86A

CH11570

O-Ring

1шт.

88

4236729

Elbow Fitting

(SUB FOR AT213803)

1шт.

88A

CH11570

O-Ring

1шт.

89

AT250146

Hydraulic Hose

1шт.

Выбрано товаров: 39