Запчасти John Deere 200LC, 330LC, 370 160 - Arm Cylinder, 200LC (051019 - ) 3360 HYDRAULIC SYSTEM

Схема запчастей John Deere 200LC, 330LC, 370 - 160 - Arm Cylinder, 200LC (051019 - ) 3360 HYDRAULIC SYSTEM
FIT
1:1
100%

Артикул

Название

Примечание

Количество

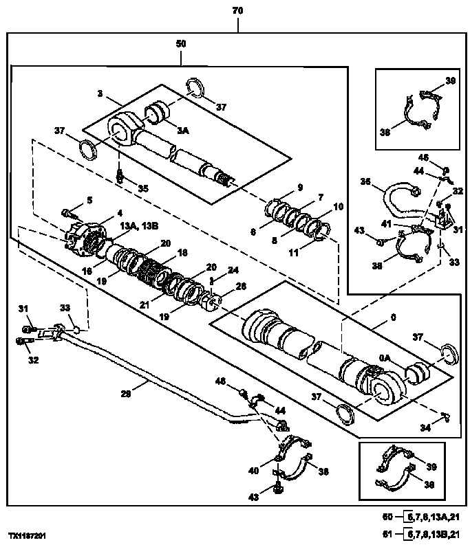
0

Structural Tube

SUB 4646004; SUB FOR FFSJ109 113 OR AT159579; 9161899 NLA

1шт.

4646004

Tube

ALSO ORDER 8069890, 8069891 AND (2) 3080216

1шт.

4646004

Tube

SUB FOR PG201393

1шт.

0A

3031789

Bushing

SUB FOR TH110072

1шт.

3

4645907

Hydraulic Cylinder Rod

SUB FOR FFSJ109115; SUB FO R AT218001; SUB FOR 7030938

1шт.

4645907

Hydraulic Cylinder Rod

SUB FOR PG201395

1шт.

3A

3031789

Bushing

SUB FOR FFSB109114; SUB FOR TH110072

1шт.

4

1015436

Cylinder Head

SUB FOR FFSJ109117; SUB FOR AT159581

1шт.

5

19M8630

Screw

M24 X 80 SUB FOR FFSB109050

8шт.

6

AT264277

Seal

SUB FOR FFSB109118, AT181247, 4348207

1шт.

7

AT264398

Seal

SUB FOR FFSB109119, TH110049

1шт.

8

AT264279

Ring

SUB FOR FFSB109129, AT181790

1шт.

9

4369509

Ring

SUB FOR FFSB109121; SUB FOR AT181248

1шт.

10

AT264237

Bushing

SUB FOR FFSB109122, AT131414

1шт.

11

4267139

Snap Ring

SUB FOR FFSB109123; SUB FOR AT130817

1шт.

13A

AT264295

O-Ring

FOR HEAT PROBLEMS SEE DTAC SOLUTION SUB FOR FFSB109124, AT217990, 4380144

1шт.

13B

4641100

O-Ring

HEAT RESISTANT

1шт.

14

AT280434

Back-Up Ring

NOT ILLUSTRATED

1шт.

16

4267137

Ring

SUB FOR FFSB109125; SUB FOR AT159583

1шт.

18

3052364

Piston

SUB FOR FFSB109126; SUB FOR AT159584

1шт.

19

AT264400

Ring

SUB FOR FFSB109127, TH110062

2шт.

20

AT264275

Wear Ring

SUB FOR FFSB109128, AT159585, 4194621

2шт.

21

AT264402

Ring

SUB FOR FFSB109129, TH110065

1шт.

24

4201806

Set Screw

SUB FOR FFSB107232; SUB FOR TH110066

1шт.

26

3063060

Nut

SUB FOR FFSB109131; SUB FOR AT217941

1шт.

29

8081388

Line

SUB FOR FFSB109133

1шт.

31

19M8341

Screw

M12 X 45 SUB FOR FFSB107236

4шт.

32

19M8444

Screw

M12 X 60 SUB FOR FFSB107237

4шт.

33

AT264324

O-Ring

SUB FOR FFSB107238, TH100044

2шт.

34

FFSB103271

Lubrication Fitting

1шт.

35

TH100074

Lubrication Fitting

SUB FOR FFSB107233

1шт.

36

Line

8082936 NLA

1шт.

37

TH102445

Seal

SUB FOR FFSB108289

4шт.

38

3080216

Clamp

SUB FOR FFSB109134

2шт.

39

8082943

Clamp

USE WITH 9161899; SUB FOR FFSB109135

2шт.

8069891

Clamp

USE WITH 4646004

1шт.

40

8069890

Clamp

USE WITH 4646004

1шт.

43

19M7550

Cap Screw

M10 X 35 SUB FOR FFSB107241

4шт.

12M7066

Lock Washer

10 mm

4шт.

44

4174241

Clamp

SUB FOR FFSJ107284; SUB FOR TH110059

2шт.

46

19M7402

Cap Screw

M10 X 25 SUB FOR FFSB107131

4шт.

12M7066

Lock Washer

10 mm

4шт.

50

Hydraulic Cylinder

FFSB110794, 9218636 NLA

1шт.

60

9180579

Hydraulic Cylinder Kit

FOR HEAT PROBLEMS SEE DTAC SOLUTION AT 264438 NLA, SUB FOR FFSB109138, AT218043

1шт.

61

9257551

Seal Kit

HEAT RESISTANT

1шт.

70

Hydraulic Cylinder

SUB 4651545; FFSB104900 NLA

1шт.

Выбрано товаров: 0