Запчасти John Deere 200LC, 330LC, 370 27 - Labels and Decals 1320 VEHICLE FINISH AND TRIM

Схема запчастей John Deere 200LC, 330LC, 370 - 27 - Labels and Decals 1320 VEHICLE FINISH AND TRIM
FIT
1:1
100%

Артикул

Название

Примечание

Количество

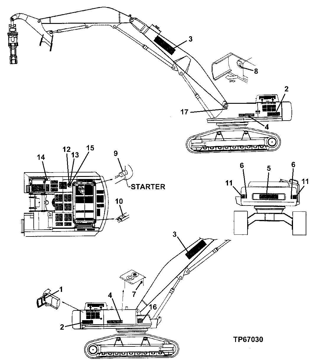
1

T163312

Label

(PERIODIC MAINTENANCE)

1шт.

2

T184436

Label

(330LC MODEL DESIGNATION)

1шт.

T184339

Label

(370 MODEL DESIGNATION)

1шт.

3

T184438

Label

(DEERE - ON BOOM)

2шт.

4

T184437

Label

(LOGGER) (USE WITH FORESTR Y FULL RIGHT SIDE GUARDING)

2шт.

T184956

Label

(LOGGER) (USE WITH FORESTRY SIDE GUARDING)

2шт.

5

T184020

Label

(DEERE - ON COUNTERWEIGHT)

1шт.

6

JD5909

Reflector

2шт.

7

T149983

Label

(OIL LEVEL) (FOR USE ON ROADBUILDER)

1шт.

T183281

Label

(OIL LEVEL) (FOR USE WITH HEELER)

1шт.

T183282

Label

(OIL LEVEL) (FOR USE WITH BUTT-N-TOP)

1шт.

8

R56902

Label

(AIR CLEANER)

1шт.

9

T146102

Label

(BYPASS START)

1шт.

10

T152657

Safety Sign

(RADIATOR)

1шт.

11

T145893

Safety Sign

(STAY CLEAR)

2шт.

12

P63448

Label

(SUB FOR AT155733)(PUMP BLEED)

1шт.

13

T147009

Label

(RESERVOIR COVER)

1шт.

14

T79632

Label

(DIESEL ONLY)

1шт.

15

T101942

Label

(HYDRAULIC OIL)

1шт.

16

JD5692

Label

(LEAPING DEER)

1шт.

17

T183291

Label

(CAUTION - PINCH POINT)

1шт.

Выбрано товаров: 0