Запчасти John Deere 00LC 66 - FAN DRIVE,PULLEYS AND BELT TENSIONERS (071872 - ) 0429A FAN DRIVE PE6068TT051 PE6068TT051

Схема запчастей John Deere 00LC - 66 - FAN DRIVE,PULLEYS AND BELT TENSIONERS (071872 - ) 0429A FAN DRIVE PE6068TT051 PE6068TT051
FIT
1:1
100%

Артикул

Название

Примечание

Количество

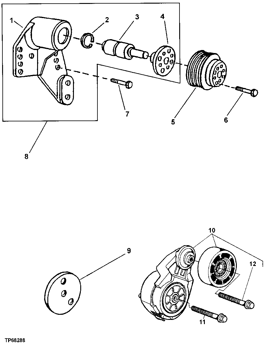
1

Bearing Housing W/ Bearing

1шт.

2

E1343FN

Snap Ring

1шт.

3

Shaft

SHAFT/BEARINGS ( RE692 92 NO LONGER AVAILABLE)

1шт.

4

RE500538

Fan

(MARKED R123284)

1шт.

5

R128662

Pulley

1шт.

6

19M7784

Screw

M10 X 20

4шт.

7

19M7835

Screw

M10 X 35

4шт.

8

RE503664

Support

(MARKED R502014)

1шт.

9

R500321

Spacer

1шт.

10

RE70536

Belt Tensioner

1шт.

11

19M8131

Screw

M10 X 70

1шт.

12

R503813

Bolt

LEFT HAND THREAD

1шт.

Выбрано товаров: 12