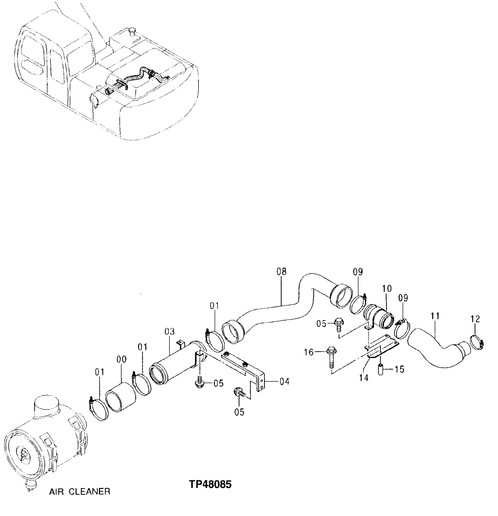
Запчасти John Deere 00LC 134 - AIR CLEANER SUPPORT 0520 INTAKE SYSTEM

Схема запчастей John Deere 00LC - 134 - AIR CLEANER SUPPORT 0520 INTAKE SYSTEM
FIT
1:1
100%

Артикул

Название

Примечание

Количество

0

TY25160

Hose

(SUB FOR AT215106 OR 4378741)

1шт.

1

AT39390

Hose Clamp

(SUB FOR AT53439)

3шт.

3

8067676

Line

(SUB FOR AT215121)

1шт.

4

8067677

Angle

(SUB FOR AT215604)

1шт.

5

19M7662

Cap Screw

M10 X 30

6шт.

12M7066

Lock Washer

10 mm

6шт.

24M7028

Washer

10.500 X 20 X 2 mm

6шт.

8

2040341

Hose

(SUB FOR AT215086)

1шт.

9

4282489

Hose Clamp

(SUB FOR AT215499)

2шт.

10

8067675

Line

(SUB FOR AT215120)

1шт.

11

3079135

Hose

(SUB FOR 3079135)

1шт.

12

AT50923

Hose Clamp

1шт.

14

8067670

Bracket

(SUB FOR AT215603)

1шт.

15

4380868

Bushing

(SUB FOR AT215110)

2шт.

16

19M7943

Cap Screw

M12 X 90 (SUB FOR AT215469 OR J021290, USE ALONG WITH 12M7067 , AND 24M7043)

2шт.

12M7067

Lock Washer

12 mm

2шт.

24M7043

Washer

12 X 25 X 3 mm

2шт.

Выбрано товаров: 17