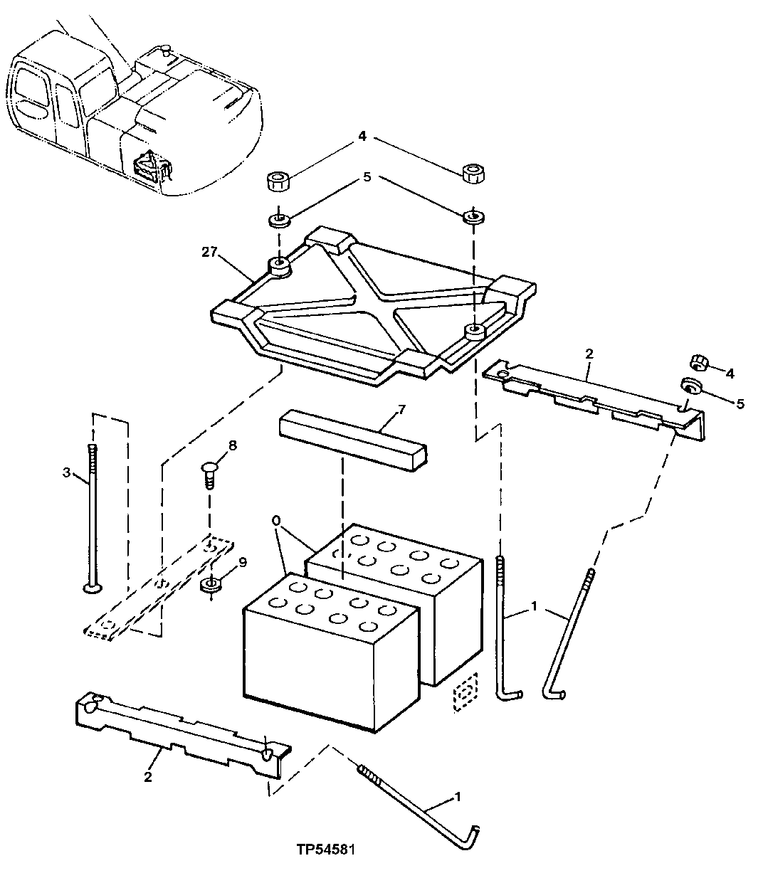
Запчасти John Deere 00LC 154 - REPLACEMENT BATTERY ( - 500000) 1674 WIRING HARNESS AND SWITCHES

Схема запчастей John Deere 00LC - 154 - REPLACEMENT BATTERY ( - 500000) 1674 WIRING HARNESS AND SWITCHES
FIT
1:1
100%

Артикул

Название

Примечание

Количество

0

TY23020

Dry Charged Battery

(SUB FOR TY21709)

2шт.

1

T138510

Hook Bolt

5шт.

2

T138511

Clamp

2шт.

3

19M7913

Screw

M8 X 90

1шт.

4

14M7166

Lock Nut

M8

8шт.

5

24M7027

Washer

5.300 X 10 X 1 mm

6шт.

7

T45642

Isolator

1шт.

8

19M7865

Screw

M8 X 16

2шт.

9

14M7152

Nut

M10

2шт.

27

4351892

Cover

(SUB FOR AT213963)

1шт.

Выбрано товаров: 10