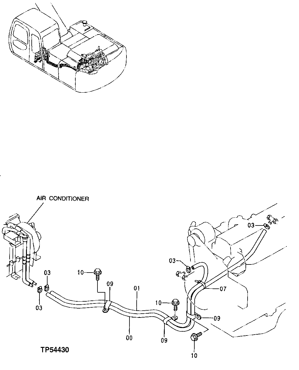
Запчасти John Deere 00LC 211 - AIR CONDITIONER PIPINGS 1830 HEATING AND AIR CONDITIONING

Схема запчастей John Deere 00LC - 211 - AIR CONDITIONER PIPINGS 1830 HEATING AND AIR CONDITIONING
FIT
1:1
100%

Артикул

Название

Примечание

Количество

0

Bulk Hose

(FURNISH TY22328 - CUT TO LEN GTH 2150MM) ( 4374011 NO LONGE R AVAILABLE) (SUB FOR AT215549 )

1шт.

1

4374012

Radiator Hose

(SUB FOR AT215550)

1шт.

3

WZ2141223

Hose Clamp

(SUB FOR AA34965)

4шт.

7

H77698

Tie Band

1шт.

9

R50454

Clamp

(SUB FOR TH109445 OR 4192034)

3шт.

10

12M7066

Lock Washer

10 mm

3шт.

19M7938

Cap Screw

M10 X 20

3шт.

Выбрано товаров: 0