Запчасти John Deere 00LC 243 - PUMP GEAR 2160 VEHICLE HYDRAULICS

Схема запчастей John Deere 00LC - 243 - PUMP GEAR 2160 VEHICLE HYDRAULICS
FIT
1:1
100%

Артикул

Название

Примечание

Количество

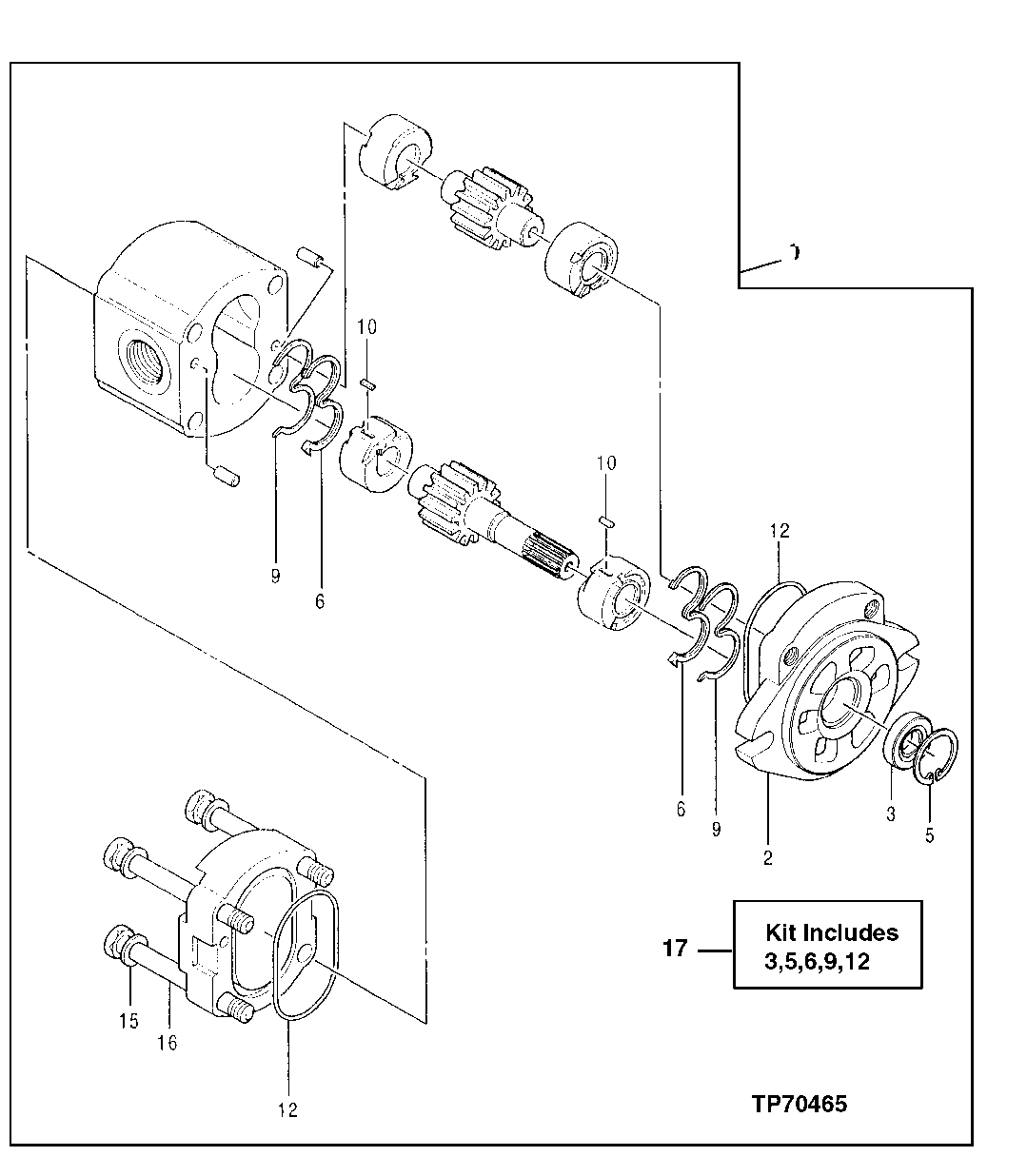
0

4276918

Pump

(SUB FOR AT202122)

1шт.

2

Flange

(SUB FOR AT203653)( 2050209 NLA)

1шт.

3

0408202

Seal

(A) (SUB FOR AT153880)

1шт.

5

Snap Ring

(A) ( AT153833 NOT AVAILABL E AS INDIVIDUAL SERVICE PART)

1шт.

6

Seal

(A) ( AT153881 NOT AVAILABL E AS INDIVUDAL SERVICE PART)

2шт.

9

Filter Element

(A) ( AT153834 NOT AVAILABL E AS INDIVUDAL SERVICE PART)

2шт.

10

4484119

Key

(SUB FOR AT153838)

2шт.

12

4488720

O-Ring

(A) (SUB FOR 4206163, TH10 9922, 0354608 OR TH0354608)

2шт.

15

AT153837

Washer

10.400 X 18 X 2 mm (0. 409" X 0.709" X 0.079")

4шт.

16

19M7668

Cap Screw

M10 X 100 (SUB FOR AT15 3882 ) (SUB FOR 0408204)

4шт.

17

0408207

Seal Kit

(INCLUDES ALL PARTS MARKED (A)) (SEAT)

1шт.

Выбрано товаров: 11