Качественные детали и логистика
Оригинальные и аналоговые запчасти с доставкой по России, Казахстану и Беларуси
©2022 PartSell ООО "Система" ИНН 2463123282 ОГРН 1212400004838
Центральный офис: г. Красноярск, Академика Киренского, д.87, пом.4
Телефон: 8 (800) 777-65-74 Email: zakaz@partsell.ru
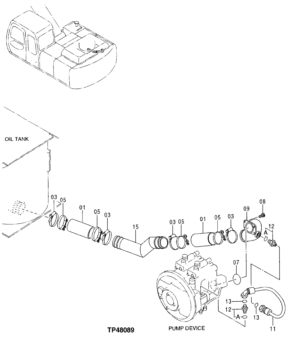
245 - SUCTION PIPINGS
№
Артикул
Название
Примечание
Количество
1
4348414
Hose
(SUB FOR AT176844)
2шт.
3
Z29925
Clamp
(SUB FOR AH103182)
4шт.
5
AT56658
Hose Clamp
7
CH17854
Packing
1шт.
8
J781228
Bolt
(SUB FOR AT214412)
9
2037825
Manifold
(SUB FOR AT176799)
11
AT202461
Hydraulic Hose
12
A853166
Adapter Fitting
(SUB FOR AT107392 OR 4189619)
12A
AT318035
O-Ring
(SUB FOR 4506424, TH100055)
13
T77858
18.771 X 1.778 mm (0.739" X 0.070")
15
8066208
Line
(SUB FOR AT215117)
Выбрано товаров: 0