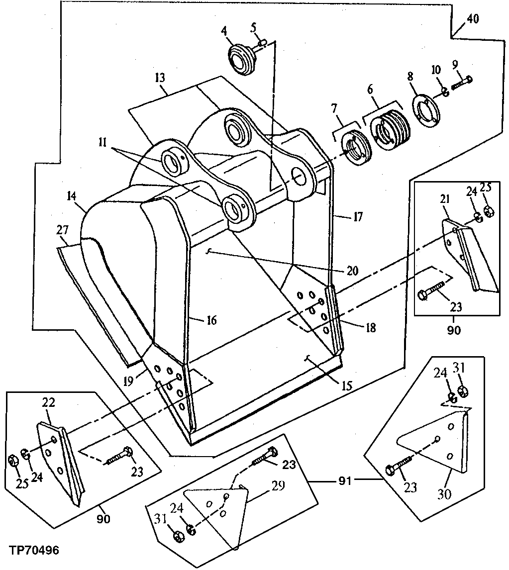
Запчасти John Deere 00LC 263 - Severe Duty Cast Lip Bucket (Also Order Bucket Tooth Assemblies) 3302 BUCKET WITH TEETH

Схема запчастей John Deere 00LC - 263 - Severe Duty Cast Lip Bucket (Also Order Bucket Tooth Assemblies) 3302 BUCKET WITH TEETH
FIT
1:1
100%

Артикул

Название

Примечание

Количество

4

Self-Aligning Bushing

(1 INCH HEAD THICKNESS) ( AT131083 NLA)

1шт.

5

R48685

Dowel Pin

1шт.

6

TH104512

Washer

9шт.

7

TH104513

Shim

1шт.

8

TH104514

Spacer

1шт.

9

19H2706

Cap Screw

5/8" X 2"

3шт.

10

12H294

Lock Washer

5/8"

3шт.

11

TH104509

Bushing

(LOCKING COLLAR)

2шт.

13

C607480

Pivot

(F) (BUCKET EAR BLANK ASSEMBLY)

1шт.

14

300952

Plate

(F) (RIGHT AND LEFT SIDE)

2шт.

15

C252561

Cutting Edge

(F) (USE WITH 24 INCH BUCKET) ( AT131118 NO LONGER AVAILABLE)

1шт.

C252562

Cutting Edge

(F) (USE WITH 30 INCH BUCKET) ( AT131119 NO LONGER AVAILABLE)

1шт.

C252563

Cutting Edge

(F) (USE WITH 36 INCH BUCKET) ( AT131092 NO LONGER AVAILABLE)

1шт.

AT131097

Dura-Max Cutting Edge

(USE WITH 30 AND 36 INCH BUCKE TS) (CUT TO LENGTH) (72 INCHES)

1шт.

T154189

Cutting Edge

(USE WITH 30 AND 36 INCH BUCKE TS) (CUT TO LENGTH) (42 INCHES)

1шт.

T154188

Cutting Edge

(USE WITH 30 AND 36 INCH BUCKE TS) (CUT TO LENGTH) (36 INCHES)

1шт.

16

300159

Vertical Cutter

(F) (UPPER RIGHT SIDE)

1шт.

17

300160

Vertical Cutter

(F) (UPPER LEFT SIDE)

1шт.

18

300958

Vertical Cutter

(F) (LEFT INSERT)

1шт.

19

300957

Vertical Cutter

(F) (RIGHT INSERT)

1шт.

20

600515

Moldboard

(F) (24 INCH)

1шт.

600708

Moldboard

(F) (30 INCH)

1шт.

600517

Moldboard

(F) (36 INCH)

1шт.

21

Cutting Edge

(K) (SUB AT131085)

1шт.

22

Cutting Edge

(K) (SUB AT131085)

1шт.

23

09H1771

Bolt

(K) 7/8" X 3" (K2)

6шт.

24

12H245

Lock Washer

(K) 7/8" (K2)

6шт.

25

14H1077

Nut

(K) 7/8"

6шт.

27

607392

Bar

(F) (USE WITH 24 INCH BUCKET)

1шт.

607393

Bar

(F) (USE WITH 30 INCH BUCKET)

1шт.

607394

Bar

(F) (USE WITH 36 INCH BUCKET)

1шт.

29

Shroud

(WEAR SHROUD) (SUB AT167876 (K2))

1шт.

30

Shroud

(WEAR SHROUD) (SUB AT167876 (K2))

1шт.

31

14H1044

Nut

7/8" (K2)

1шт.

40

Excavator Bucket

( AT171737 NLA) WHOLEGOODS (24 INCH) (AVA ILABLE TOOTH ASSEMBLIES ON SEPARATE PAGE)

1шт.

Excavator Bucket

( AT171739 NLA) WHOLEGOODS (30 INCH) (AVA ILABLE TOOTH ASSEMBLIES ON SEPARATE PAGE)

1шт.

Excavator Bucket

( AT171741 NLA) WHOLEGOODS (36 INCH) (AVA ILABLE TOOTH ASSEMBLIES ON SEPARATE PAGE)

1шт.

90

Kit

( AT131085 NLA) (SIDE CUTTIN G KIT) INCLUDES ALL (K) PARTS

1шт.

91

Kit

( AT167876 NLA) (EDGE PROTEC TOR) INCLUDES ALL (K2) PARTS

1шт.

Выбрано товаров: 39