Запчасти John Deere 00LC 264 - Severe Duty Plate Lip Bucket (Also Order Bucket Tooth Assemblies) 3302 BUCKET WITH TEETH

Схема запчастей John Deere 00LC - 264 - Severe Duty Plate Lip Bucket (Also Order Bucket Tooth Assemblies) 3302 BUCKET WITH TEETH
FIT
1:1
100%

Артикул

Название

Примечание

Количество

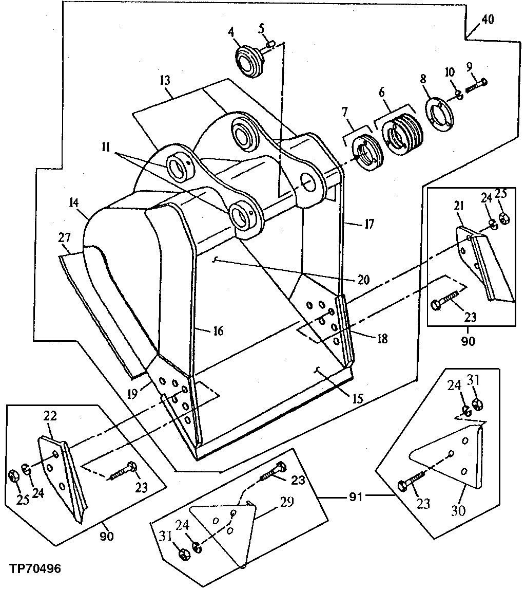
4

Self-Aligning Bushing

(1 INCH HEAD THICKNESS)

1шт.

5

R48685

Dowel Pin

1шт.

6

TH104512

Washer

9шт.

7

TH104513

Shim

1шт.

8

TH104514

Spacer

1шт.

9

19H2706

Cap Screw

5/8" X 2"

3шт.

10

12H294

Lock Washer

5/8"

3шт.

11

TH104509

Bushing

(LOCKING COLLAR)

2шт.

13

C607480

Pivot

(A) (BUCKET EAR BLANK ASSEMBLY)

1шт.

14

305511

Plate

(A) (RIGHT AND LEFT SIDE)

2шт.

15

Cutting Edge

(CUT TO LENGTH FROM AT131097)

1шт.

16

305512

Vertical Cutter

(A) (UPPER RIGHT SIDE)

1шт.

17

305513

Vertical Cutter

(A) (UPPER LEFT SIDE)

1шт.

18

305531

Vertical Cutter

(A) (LEFT INSERT)

1шт.

19

305530

Vertical Cutter

(A) (RIGHT INSERT)

1шт.

20

605990

Moldboard

(A) (30 INCH)

1шт.

605991

Moldboard

(A) (36 INCH)

1шт.

21

Cutting Edge

(SUB AT131085)

1шт.

22

Cutting Edge

(SUB AT131085)

1шт.

23

09H1771

Bolt

7/8" X 3"

6шт.

24

12H245

Lock Washer

7/8"

6шт.

25

14H1077

Nut

7/8"

6шт.

27

605995

Bar

(A) (USE WITH 30 INCH BUCKET)

1шт.

605996

Bar

(A) (USE WITH 36 INCH BUCKET)

1шт.

29

Shroud

(WEAR SHROUD) (SUB AT167876)

1шт.

30

Shroud

(WEAR SHROUD) (SUB AT167876)

1шт.

31

14H1044

Nut

7/8"

1шт.

40

Excavator Bucket

(AT163624 NLA) (SUB AT332699 WHOLEGOO DS (30 INCH - .77 CUBIC YARD) (AVAILAB LE TOOTH ASSEMBLIES ON SEPARATE PAGE))

1шт.

Excavator Bucket

(AT163625 NLA) (SUB AT332700 WHOLEGOO DS (36 INCH - .95 CUBIC YARD) (AVAILAB LE TOOTH ASSEMBLIES ON SEPARATE PAGE))

1шт.

Excavator Bucket

(AT199360 NLA) (SUB AT332701 WHOLEGOO DS (42 INCH - 1.12 CUBIC YARD) (AVAILA BLE TOOTH ASSEMBLIES ON SEPARATE PAGE) )

1шт.

90

Kit

( AT131085 NLA) (SIDE CUTTER KIT)

1шт.

91

Kit

( AT167876 NLA) (EDGE PROTECTOR)

1шт.

Выбрано товаров: 32