Запчасти John Deere 00LC 310 - MAIN PIPINGS 3360 HYDRAULIC SYSTEM

Схема запчастей John Deere 00LC - 310 - MAIN PIPINGS 3360 HYDRAULIC SYSTEM
FIT
1:1
100%

Артикул

Название

Примечание

Количество

0

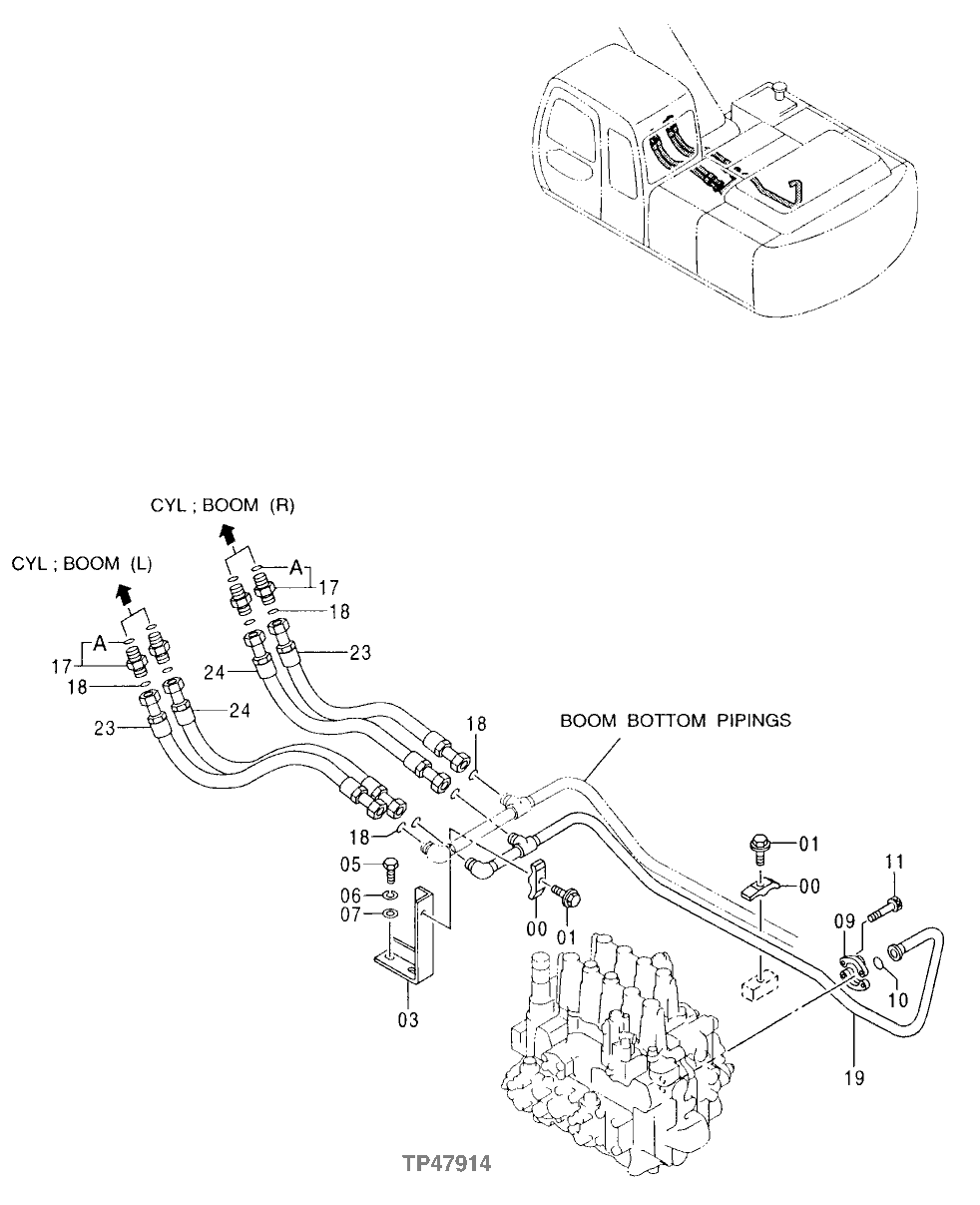
4153488

Clamp

(SUB FOR TH103780)

2шт.

1

12H301

Lock Washer

1/2"

2шт.

19M7753

Cap Screw

M12 X 70

2шт.

3

8071076

Support

(SUB FOR AT214410 OR 9746151, ALONG WITH (2) 4285725, (2) 19M7753 AND (2) 12H301)

1шт.

5

19M7872

Cap Screw

M12 X 25

2шт.

6

12H301

Lock Washer

1/2"

2шт.

7

24H1748

Washer

1/2" X 1-1/4" X 0.105"

2шт.

9

R29424

Flange Fitting

2шт.

10

T59014

O-Ring

24.994 X 3.531 mm (63/64" X 0.139")

1шт.

11

19M7576

Screw

M10 X 30 (SUB FOR AT213614 AND J781030)

4шт.

17

A853166

Adapter Fitting

(SUB FOR AT107392 OR 4189619)

4шт.

17A

AT318035

O-Ring

(SUB FOR 4506424, TH100055)

1шт.

18

T77858

O-Ring

18.771 X 1.778 mm (0.739" X 0.070")

8шт.

19

8065290

Oil Line

(SUB FOR AT214375)

1шт.

23

AT213806

Hydraulic Hose

2шт.

24

AT213820

Hydraulic Hose

2шт.

Выбрано товаров: 16