Запчасти John Deere 00LC 313 - MAIN PIPINGS 3360 HYDRAULIC SYSTEM

Схема запчастей John Deere 00LC - 313 - MAIN PIPINGS 3360 HYDRAULIC SYSTEM
FIT
1:1
100%

Артикул

Название

Примечание

Количество

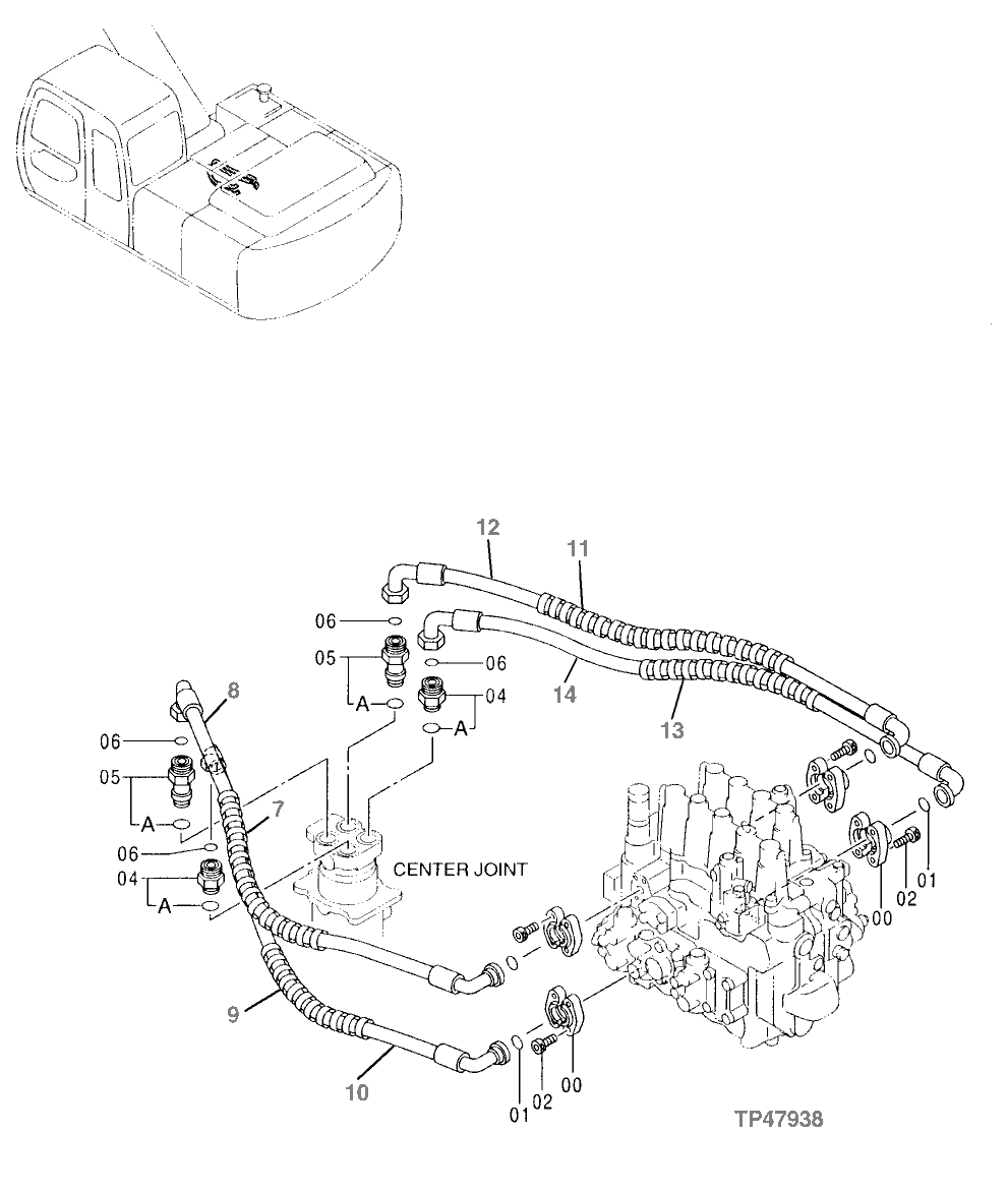
0

R29424

Flange Fitting

8шт.

1

T59014

O-Ring

24.994 X 3.531 mm (63/64" X 0.139")

4шт.

2

19M7576

Screw

M10 X 30 (SUB FOR AT213614 OR J781030)

16шт.

4

A853166

Adapter Fitting

(SUB FOR AT107392 OR 4189619)

2шт.

4A

AT318035

O-Ring

(SUB FOR 4506424, TH100055)

1шт.

5

4189539

Adapter Fitting

(SUB FOR AT107393)

2шт.

5A

AT318035

O-Ring

(SUB FOR 4506424, TH100055)

1шт.

6

T77858

O-Ring

18.771 X 1.778 mm (0.739" X 0.070")

4шт.

7

Hose Guard

(MAKE FROM XHG-075 BULK MATERIAL, CUT T O LENGTH) (SUB FOR AT213832 OR 4327294)

2шт.

8

AT213988

Hydraulic Hose

1шт.

9

Hose Guard

(MAKE FROM XHG-075 BULK MATERIAL, CUT T O LENGTH) (SUB FOR AT213832 OR 4327294)

1шт.

10

AT213987

Hydraulic Hose

1шт.

11

Hose Guard

(MAKE FROM XHG-075 BULK MATERIAL, CUT T O LENGTH) (SUB FOR AT213832 OR 4327294)

2шт.

12

AT213990

Hydraulic Hose

1шт.

13

Hose Guard

(MAKE FROM XHG-075 BULK MATERIAL, CUT T O LENGTH) (SUB FOR AT213832 OR 4327294)

1шт.

14

AT213989

Hydraulic Hose

1шт.

Выбрано товаров: 16