Запчасти John Deere 00LC 342 - FRONT PIPINGS 3360 HYDRAULIC SYSTEM

Схема запчастей John Deere 00LC - 342 - FRONT PIPINGS 3360 HYDRAULIC SYSTEM
FIT
1:1
100%

Артикул

Название

Примечание

Количество

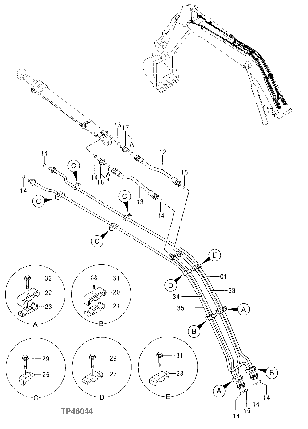
1

9156684

Line

(SUB FOR AT214352 OR 8060231)

1шт.

12

AT213814

Hydraulic Hose

1шт.

13

AT168311

Hydraulic Hose

30.1752" X 850 mm (33-1/2") X 30.1752"

1шт.

14

TH101926

O-Ring

28.700 X 3.500 mm (1.130" X 0.138")

7шт.

15

TH101926

O-Ring

28.700 X 3.500 mm (1.130" X 0.138")

3шт.

17

4189535

Adapter Fitting

(SUB FOR AT114853)

1шт.

17A

T77858

O-Ring

18.771 X 1.778 mm (0.739" X 0.070")

1шт.

18

AT318016

Adapter Fitting

(SUB FOR 4189537, TH110496)

1шт.

18A

T77858

O-Ring

18.771 X 1.778 mm (0.739" X 0.070")

1шт.

20

4285723

Clamp

Rubber

2шт.

4189859

Clamp

Steel

2шт.

21

AT318021

Clamp

(SUB FOR 4285722, AT155739)

2шт.

22

4285725

Clamp

(SUB FOR AT155351)

2шт.

23

AT309596

Clamp

(SUB FOR AT155350, 4285724)

2шт.

26

4190126

Clamp

(SUB FOR TH109830)

4шт.

27

4285723

Clamp

Rubber

1шт.

4189859

Clamp

Steel

1шт.

28

4153488

Clamp

(SUB FOR TH103780)

1шт.

29

12H301

Lock Washer

1/2"

5шт.

19M7363

Cap Screw

M12 X 60

5шт.

31

12H301

Lock Washer

1/2"

3шт.

19M7753

Cap Screw

M12 X 70

3шт.

32

12M7058

Lock Washer

12 mm (SUB FOR 12M7067)

2шт.

19M8088

Cap Screw

M12 X 75

2шт.

24M7047

Washer

13 X 24 X 2.500 mm

2шт.

33

9156686G

Line

(SUB FOR AT214368 OR 9156686)

1шт.

34

9156685G

Line

(SUB FOR AT214367 OR 9156685)

1шт.

35

9156683

Line

(SUB FOR AT214369)

1шт.

Выбрано товаров: 28