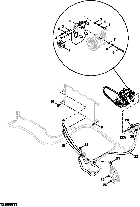
Запчасти John Deere 2054 130 - A/C COMPRESSOR BRACKET, DRIVE BELT, AND REFRIGERANT HOSES 1830 HEATING AND AIR CONDITIONING

Схема запчастей John Deere 2054 - 130 - A/C COMPRESSOR BRACKET, DRIVE BELT, AND REFRIGERANT HOSES 1830 HEATING AND AIR CONDITIONING
FIT
1:1
100%

Артикул

Название

Примечание

Количество

0

AP37369

Bracket

1шт.

1

19M7403

Cap Screw

M12 X 35

2шт.

2

19M7488

Cap Screw

M16 X 40

2шт.

3

24M7053

Washer

17 X 30 X 3 mm

4шт.

4

24M7047

Washer

13 X 24 X 2.500 mm

4шт.

5

19M8006

Screw

M8 X 120

4шт.

7

24M7055

Washer

8.400 X 16 X 1.600 mm

4шт.

8

Washer

12M7065 NLA

4шт.

11

4346770

Pulley

1шт.

11A

4451204

Bolt

Not Illustrated

1шт.

12

P70104

V-Belt

48 in

1шт.

AT397199

V-Belt

45 in

1шт.

16

19M7402

Cap Screw

M10 X 25

4шт.

12M7066

Lock Washer

10 mm

4шт.

24M7096

Washer

10.500 X 18 X 1.600 mm

4шт.

19

4429678

Refrigerant Hose

1шт.

20

19M7874

Cap Screw

M6 X 30

2шт.

12H302

Lock Washer

1/4"

2шт.

24M7054

Washer

6.400 X 12 X 1.600 mm

2шт.

21

19M7286

Cap Screw

M6 X 25

2шт.

12M7006

Lock Washer

6 mm

2шт.

24M7054

Washer

6.400 X 12 X 1.600 mm

2шт.

22

4482953

Refrigerant Hose

1шт.

22A

M800650

Packing

1шт.

23

19M7139

Cap Screw

M8 X 20

2шт.

Washer

12M7065 NLA

2шт.

24M7055

Washer

8.400 X 16 X 1.600 mm

2шт.

Выбрано товаров: 27